相关题目
44.如需构成如图2—24所示特性的相间阻抗继电器,直线PQ下方与圆所围的部分是动作区。ZZd是整定值,OM是直径。请写出动作方程,并说明其实现方法(要求写出圆特性和直线特性的以阻抗形式表达的动作方程,写出加于继电器的电压UJ电流IJ和Zzd表达的电压动作方程以及逻辑关系)。
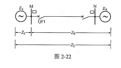
43.图2.22的双侧电源系统中,阻抗继电器装在M侧,设︳Es︳=︳ER︱=E,保护背后电源阻抗为ZR,保护正方向的等值阻抗ZR,两侧电动势间的总阻抗为Z∑。各元件的阻抗角相同。
(1)请画出系统发生振荡时阻抗继电器测量阻抗端点的变化轨迹。(2)如果阻抗继电器是方向阻抗继电器,其整定阻抗Zzd=3Ω,请问在下述几种情况下系统振荡时阻抗继电器是否会误动:①Zs=1Ω,
ZR=9Ω;②Zs=1Ω,ZR=9Ω③Zs=6Ω,ZR=4Ω
42.对于正常运行情况下发生的第一次短路故障振荡闭锁都采用短时开放距离保护I、II段的方法(例如短时开放160ms)。请简要说明为什么不采取长期开放保护的方法?
41.正序电压用作极化电压的好处是什么?
40.电气化铁路对常规距离保护有何影响?
39.当距离保护接线路电压互感器时,手动合闸于出口三相短路故障,距离保护能否加速跳闸?为什么?
38.方向阻抗继电器采用电压记忆量作极化,除了消除死区外,对继电保护特性还带来什么改善?如果采用正序电压极化又有什么优点?
37.为什么在距离保护的振荡闭锁中采用对称开放或不对称开放?
36.如果有一个阻抗继电器动作方程为:90°≤arg
≤270°式中UJ,IJ为阻抗继电器接线方式中规定的电压电流;Zzd为整定阻抗。请画出该继电器的动作特性。为了消除该继电器在正向出口短路时(含近处故障)的死区可采取什么方法?请分别画出此继电器在正相短路和反向短路时的暂态动作特性。并从暂态动作特性图上说明该继电器在暂态动作特性期间是如何消除正相出口短路的死区和避免反向出口短路的误动的。
35.如果阻抗继电器的动作方程为90°≤arg
≤270°,式中ZJ为测量阻抗,Zzd为整定阻抗。(1)在阻抗复数平面上画出它的动作特性。(2)写出继电器用以实现的电压形式的动作方程(即用加在继电器上的电压UJ电流IJ和整定阻抗Zzd甜表达的动作方程)。(3)说明该继电器在防止正方向出口短路可能会拒动(出现死区)、在反方向出口短路可能会误动方面应采取什么措施?采取措施后,请画出正向短路和反向短路时的暂态动作特性(保护反方向的阻抗为Zs∠Φ,正方向的所有阻抗为ZR∠Φ保护的整定阻抗为Zd∠Φ)。
