简答题
42.对于正常运行情况下发生的第一次短路故障振荡闭锁都采用短时开放距离保护I、II段的方法(例如短时开放160ms)。请简要说明为什么不采取长期开放保护的方法?
答案解析
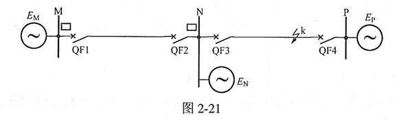
正确答案:答:如果采用长期开放保护的方法则将可能导致区外故障并引起振荡时距离保护的误动。例如图2—21中装于MN线路的距离保护在发生区外短路并导致‰、风电源问的振荡时,如果振荡闭锁长期开放保护则阻抗继电器只要在振荡中误动将导致距离保护误动。现在实行短时开放的方法,当区外故障并导致系统振荡时当两侧电动势的夹角摆开到足以使阻抗继电器误动的角度之前(这段时间一般大于200ms)振荡闭锁短时开放时间已过,重新闭锁距离保护的I、II段了,避免了误动。

相关题目
单选题
110.为了防止断路器在正常运行情况下由于某种原因(如误碰、保护误动等)而跳闸时,由于对侧并未动作,线路上有电压而不能重合,通常是在鉴定无压的一侧同时投入同期鉴定重合闸,两者的逻辑是与门关系(两者的触点串联工作),这样就可将误动跳闸的断路器重新投入。( )
单选题
109.在线路三相跳闸后,采用三相重合闸的线路在重合前经常需要在一侧检查无压;另一侧检查同期。在检查无压侧同时投入检查同期功能的目的在于断路器偷跳后可以用重合闸进行补救。( )
单选题
108.采用检无压、检同期重合闸方式的线路,投检同期的一侧,仍需投检无压,其主要目的是为了当线路无压时可靠闭锁检同期重合闸。( )
单选题
107..采用检无压、检同期重合闸方式的线路,投检无压的一侧,仍需投检同期,其主要目的是为了解决检无压侧单侧掉闸时无法重合的问题。( )
单选题
106.采用检同期,检无压重合闸方式的线路,投检无压的一侧,还要投检同期。( )
单选题
105.采用检无压、检同期重合闸方式的线路,投检同期的一侧,还要投检无压。( )
单选题
104.采用检无压、同期重合闸方式的线路,检无压侧不用重合闸后加速回路。( )
单选题
103.检同期重合闸的启动回路中,同期继电器的常闭触点应串联检定线路有压的常开触点。( )
单选题
102.断路器合闸后加速与重合闸后加速共用一个加速继电器。( )
单选题
101.综合重合闸装置在保护启动前及启动后断路器发合闸压力闭锁信号时均闭锁重合闸。( )
