简答题
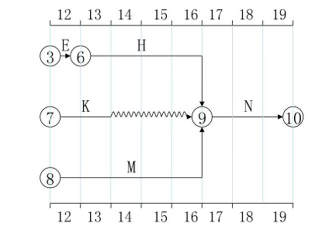
46.某建设工程,施工单位编制如下网络计划,经监理批准后实施(单位:月)。
46.某建设工程,施工单位编制如下网络计划,经监理批准后实施(单位:月)。
假设各项工程匀速实施并按最早开始时间作业,箭线下方的数字表示该工作每月计划完成的投资额(单位:万元)。11月底的施工进度计划监测结果如上图实际进度前锋线所示。问题:1.施工进度计划监测方法还有哪些?根据11月底的实际进度前锋线分析工程实际进展情况。2.运用赢得值法分析11月底的进度偏差及进度情况。
答案解析
正确答案:答案:1.(1)施工进度计划实施监测方法还有:横道图比较法;图洛计划法;S形曲线法;香蕉型曲线比较法。(2)工作E实际进度滞后1个月,其为关键工作,使总工期延长1个月;工作K实际进度与计划进度一致;工作M实际进度滞后三个月,其有2个月的总时差,使总工期延长1个月;所以该项目总工期延长一个月。2.已完工作预算费用=112万元;计划工作预算费用=129万元。进度偏差=已完工作预算费用-计划工作预算费用=112-129=-17万元<0。所以进度滞后17万元。3.12月初至工程结束的网络图如下:

相关知识点:
进度监测分析,方法要点牢记
相关题目
单选题
134.关于梁、板钢筋的绑扎说法,正确的是()。
单选题
133.砂浆的保水性用()表示。
单选题
132.后张法有粘结预应力施工中,与预应力筋孔道同时留设的孔道不包括()。
单选题
131.关于后张法预应力(有粘结)施工的说法,正确的是()。
单选题
130.关于混凝土养护的说法,正确的是()。
单选题
129.关于钢筋绑扎连接的说法,正确的是()。
单选题
128.关于施工缝的留置位置说法,正确的是()。
单选题
127.正常施工条件下,砖砌体每日砌筑高度宜控制在()内。
单选题
126.在常温条件下,一般墙体大模板拆除时,混凝土强度至少要达到()N/mm2。
单选题
125.关于砖墙工作段分段位置的说法,正确的是()。
