相关题目
单选题
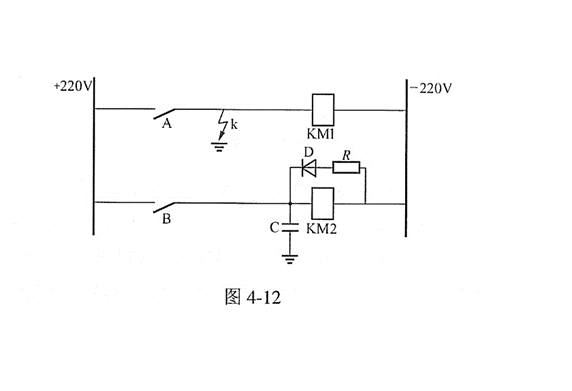
36.在图4—12所示的电路中k点发生了直流接地,试说明故障点排除之前如果触点A动作,会对继电器KM2产生什么影响(注:图中c为抗干扰电容,可不考虑电容本身的耐压问题;:KM2为快速中间继电器)?
单选题
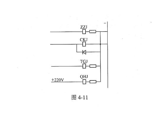
35.某保护直流回路实际接线如图4—11所示,试分析回路中存在的问题,
单选题
34.试画出直流系统绝缘监察回路的简图,并说明其判断直流系统的原理。
单选题
33.什么情况下,直流一点接地就可能造成保护误动或断路器跳闸?交流220V串入直流220V回路可能会带来什么危害?
单选题
32.查找直流接地的操作步骤和注意事项有哪些?
单选题
31.若用如图4—9接线进行中间继电器的动作电压、返回电压、动作时间及返回时间试验,是否可行?存在什么问题?应如何改进?
单选题
30.断路器、隔离开关经新安装检验及检修后,继电保护试验人员应及时了解哪些调整试验结果?
单选题
26.图4—8为某变压器的断路器控制回路图,如按该图接线,传动时会发生什么问题?请将不对的地方改正确。
单选题
25.出口继电器作用于断路器跳(合)闸线圈时,其触点回路中串入的电流自保持线圈应满足哪些条件?
单选题
24.对断路器控制回路有哪些基本要求?
