相关题目
1.4.12根据下面的波形图分析变压器区内、区外发生何种故障,此时变压器差动 保护的动作行为?其中, IH为220kV 主变压器高压侧的U、V、W 三相电流, IM为 110kV中压侧的U 、V 、W 三相电流,变压器绕组的接线方式为YNyn,220kV 系统直接 接地,110kV系统经中阻接地,电流互感器的接线方式均为Y形。
图10故障录波图
1.4.11对发电厂Yd11升压变压器,Y 侧区外V 、W 两相短路时,请分别画出高、 低压侧电流向量图(含序分量)。如设变比n=1, 高压侧正序电流标幺值为1,分别求 高、低压侧三相电流的大小。
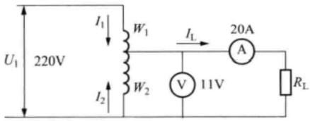
1.4. 10如下图所示,有一台自耦调压器接入一负载,当二次电压调到11V 时 , 负 载电流为20A, 试计算I1和I2的大小。(计算时忽略调压器的损耗)
图9自耦变压器图
1.4.9线路距离保护振荡闭锁的控制原则是什么?
1.4.8如果系统发生A相接地,故障电流大小为Ik, 这时正序电流I₁ 、负序电流I₂、零序电流I₀大小分别为多少,A 相的I₁、I ₂、Io、、三者相位关系怎样?如果发生BC 短路, 故障电流大小为Ik, 此 时I₁、I ₂、Io、、大小是多少, A 相 的I₁、I ₂ 、两者相位关系怎样?
1.4.7请简述发电机定子绕组中负序电流的危害。
1.4.6电力系统振荡和短路的区别是什么?
1.4.5在如图所示的单侧电源线路上发生A 相接地短路设。T变压器为Yn/y-12接线。 T线变压器为Yn/d-11接 线 ,T 线变压器空载。其中,电源电势E=1, 各元件电抗为 Xs1=j10,XT1=j10,XMK1=j20,XNK1=j10,XTj1=XTx=j10, 输电线路Xo=3X1。(1)请画出复合序网图。(2)求出短路点的零序电流。
图8单侧电源系统示意
1.4.4不同故障类型短路时,电压各序对称分量的变化规律如何?
37kV K₁ 10.5kV图7三绕组变压器故障图例
