判断题
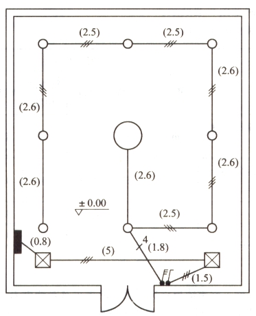
2.依据上述条件计算单位工程费用,编制表6.Ⅱ.3单位工程费用汇总表。并在表下面列出措施项目清单费用和税金的计算过程(计算式)。(保留两位小数)表6.Ⅱ.3 单位工程费汇总表【案例6管道答案】问题1:表6.Ⅱ.2’ 分部分项工程量清单问题2:表6.Ⅱ.3’ 单位工程费汇总表措施项目清单费用计算过程(计算式):( )脚手架搭拆费:15×7%+15×7%×25%×(50%+60%)=1.05+0.29=1.34(万元)(2分)(2)大型机械进出场费:(1+3+4.9)+1×(50%+60%)=8.9+1.1=10(万元)(2分)(3)安全、文明施工等措施项目费用:40万元 (1分)(4)措施项目清单费用合计:1.34+10+40=51.34(万元) (2分)税金计算过程(计算式):税金=(1770+51.34+100+80)×11%=220.15(万元)(2分)Ⅲ.电气安装工程某贵宾室照明系统中1回路如图6.Ⅲ.1所示。表6.Ⅲ.1为计算该照明工程的相关费用:表6.Ⅲ.1 照明工程的相关费用表
2.依据上述条件计算单位工程费用,编制表6.Ⅱ.3单位工程费用汇总表。并在表下面列出措施项目清单费用和税金的计算过程(计算式)。(保留两位小数)表6.Ⅱ.3 单位工程费汇总表【案例6管道答案】问题1:表6.Ⅱ.2’ 分部分项工程量清单问题2:表6.Ⅱ.3’ 单位工程费汇总表措施项目清单费用计算过程(计算式):( )脚手架搭拆费:15×7%+15×7%×25%×(50%+60%)=1.05+0.29=1.34(万元)(2分)(2)大型机械进出场费:(1+3+4.9)+1×(50%+60%)=8.9+1.1=10(万元)(2分)(3)安全、文明施工等措施项目费用:40万元 (1分)(4)措施项目清单费用合计:1.34+10+40=51.34(万元) (2分)税金计算过程(计算式):税金=(1770+51.34+100+80)×11%=220.15(万元)(2分)Ⅲ.电气安装工程某贵宾室照明系统中1回路如图6.Ⅲ.1所示。表6.Ⅲ.1为计算该照明工程的相关费用:表6.Ⅲ.1 照明工程的相关费用表

图6.Ⅲ.1 照明平面图设 计 说 明:
A
正确
B
错误
答案解析
正确答案:A
题目纠错
相关题目
单选题
58.按照项目商务资料档案清单要求,准备( )个档案盒,将商务文档资料立卷名称分别贴在档案盒的封面、盒脊,入柜按序排列。
单选题
57.项目部项目经济运营分析会的责任人是( ),( )负责牵头组织。( )
单选题
56.责任成本是以项目实现履约为前提,依据项目标准成本,经过二级单位和项目部协商一致确定的由项目部控制的( )。
单选题
55.标价分离后天( )内,项目商务经理确定合同初始收入与预计成本。
单选题
54.在评标过程中必须对中标价与控制价进行对比分析,对于超过控制价( )的中标价,应分析出现偏差的原因。
单选题
53.( )依据各项目上报的询价记录参照供应商价格库信息,预测下季度采购标的物的特性、规格、数量等,组织调研当地市场的价格水平,确定季度控制价初稿。
单选题
52.在分包评标过程中必须对中标价与控制价进行对比分析,对于超过控制价( )的中标价,应在确定中标单位后()内分析出现偏差的原因。( )
单选题
51.项目经济运营分析会议管理要求为,对当期商务策划情况、( )进行总结分析,制定纠偏措施,提出改进方案。
单选题
50.每月/季度末15日组织对形象进度、材料库存、半成品等工程盘点,该工作形成的文件为( )。
单选题
49. 施工内容单一(仅主体、粗装)的项目商务策划考核指标下调( )
