49.施工现场文明施工“五牌一图”中,“五牌”是指( )。
答案解析
解析:
相关知识点:
施工现场文明施工五牌记准
相关题目
2.在无机结合料稳定基层(底基层)对原材料的技术要求中,有关石灰的说法正确的是()。
1.关于加筋挡土墙的特点,错误的是()。
1、案例四背景资料:某施工单位承接了一条二级公路的隧道施工项目,该隧道主要穿越砂层泥岩和砂岩,岩层节理、裂隙发育,富含裂隙水。隧道全长800m,设计净高5m,净宽12m,为单洞双向行驶的两车道隧道。施工单位针对该项目编制了专项施工方案。拟采取二台阶开挖方法施工,施工顺序如图所示,并按①~⑨的顺序作业。针对该隧道施工过程中有可能出现突水安全事故的特点,编制了应急预案。
1.专项施工方案中的编制内容有哪些?2.改正③~⑥的施工工序,说明修改原因。3.补充表列⑦~⑨项工作的内容。4.单位编制的应急预案属于哪一类?除此之外,应急预案还有哪些种类?
1、案例三背景资料:某施工单位与建设单位签订了路基工程施工承包合同,包括桥涵两座和路基填筑工程,合同工期390天,合同总价5000万元。施工前施工单位向工程师提交了施工组织设计和施工进度计划。
该工程在施工过程中发生了如下事件:(1)因地质勘探报告不详,出现图纸中未标明的地下障碍物,处理该障碍物导致A工作持续时间延长10天,增加人工费2万元、材料费4万元、机械费3万元。(2)基坑开挖时因边坡支撑失稳坍塌,造成B工作持续时间延长15天,增加人工费1万元、材料费1万元、机械费2万元。(3)因不可抗力而引起施工单位的供电设施发生火灾,使工作C持续时间延长10天,增加人工费1.5万元、其他损失费用5万元。(4)结构施工阶段因建设单位提出工程变更,导致施工单位增加人工费4万元、材料费6万元、机械费5万元,工作E持续时间延长30天。针对上述事件,施工单位按程序提出了工期索赔和费用索赔,编写了索赔报告。施工过程中还发生了如下事件:事件1:项目部在路基填筑前,委托有资质的试验室进行了标准击实试验,报项目技术负责人批准后实施。事件2:路基分层填筑时,施工单位在检验了有关指标后并经专业监理工程师验收后进行上一层的填筑,后总监对压实度指标有怀疑,要求施工单位重新取样检验,经重新检验后不合格。施工单位向监理工程师提出,分层填筑经过了专业监理工程师的验收,现在检验不合格,是监理工程师失职造成的。要求监理单位给予工期和费用索赔。1.按照施工进度计划,确定该工程的关键线路和计算工期,并说明按此计划该工程能否按合同工期要求完工。2.对于施工过程中发生的事件,施工单位是否可以获得工期和费用补偿?分别说明理由。3.施工单位可以获得的工期补偿是多少天?说明理由。4.施工单位租赁土方机械用于工作A、B,日租金为1500元/天,则施工单位可以得到的土方租赁机械的租金补偿费用是多少?为什么?5.事件1中项目部有何不妥之处?请指出并改正。6.事件2中施工单位的要求是否正确?说明理由。
1、案例二背景资料:某双向四车道一级公路运营10年后,水泥混凝土面板破损严重,拟进行改建。设计方案:对就水泥混凝土路面采用碎石化法处理,然后加铺沥青混凝土面层,同时在公路右侧土质不稳定的挖方路段增设重力式挡土墙及碎落石(如下图所示)。某施工单位通过投标承接了该工程。事件一:旧水泥混凝土面板破碎前,施工单位对全线的排水系统进行设置和修复,并将公路两侧的路肩挖除至旧路面基层顶面同一高度,对全线存在的严重病害软弱路段进行处治。
事件二:路面碎石化施工的部分要点摘录如下:①路面破碎时,先破碎行车道2和行车道3,再破碎行车道1和行车道4;②两幅破碎一般保证10cm左右的搭接碎石宽度;③为尽量达到破碎均匀效果,破碎过程应保持破碎机行进速度、落锤高度、频率不变;④对暴露的加强钢筋尽量留在碎石化后的路面中。事件三:铺筑沥青混凝土时,上、中、下面层的铺筑拟采用线性流水作业方式组织施工,各面层铺筑的速度如下表:
事件四:建设单位要求将上面层的粗集料由石灰岩碎石变更为花岗岩碎石,并要求施工单位调查、上报花岗岩碎石的预算单价。施工单位对花岗岩碎石调查如下:出厂时碎石原价为91元/m3,每m3碎石的运杂费为4.5元/km,花岗岩碎石厂到工地的平均运距为22km,场外运输损耗率为4%,采购及保管费率为2.5%。1.事件一中挖除路肩的主要目的是什么?2.对事件一中存在严重病害的软弱路段应如何处治?3.逐条判断事件二中各施工要点的对错,并改正错误之处。4.按墙背形式划分,图4中路堑挡土墙属于哪一种?该种墙形式的挡土墙有何优缺点?5.事件三路面施工组织中,下面层与中面层、中面层与上面层应分别采用何种工作搭接关系?说明理由。6.计算花岗岩碎石的预算单价(计算结构保留两位小数)。
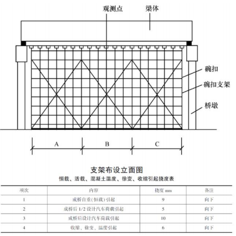
1、案例一背景资料:某跨度40m现浇预应力钢筋混凝土简支梁桥,采用后张法张拉预应力。施工单位采用碗扣式满堂支架施工(见下图),支架由钢管、扣件、型钢等组成,纵横梁采用电弧焊连接。支架就近租赁,为保证支架安装质量,施工单位认真检查了扣件的外观质量。为了保证支架的承载力以及消除支架和支架地基引起的塑性变形,对支架进行了堆沙袋预压,压重为梁自重的1.2倍(梁自重加施工荷载),并在跨中支架顶部设置了标高观测点。观测点预压前标高为185.756m,进行分级预压,100%预压荷载时观测点的标高为185.701m。预压稳定后进行了分级卸载,卸载后观测点的标高为185.725m。经计算,该桥达到了设置预拱度的条件,恒载、活载、混凝土温度、徐变、收缩引起挠度见下表,并按二次抛物线设置预拱度。跨中底板的设计标高为185.956m。梁体浇筑后进行了预应力的张拉,在张拉前,钢绞线和锚具按规定进行了抽样送检,对油表、千斤顶进行标定。箱梁预制混凝土强度达90%以上,进行钢绞线的张拉。预应力筋为低松弛预应力钢绞线,采用的是夹片式自锚性能的锚具,预应力筋张拉程序按照:0→初应力→σcon(锚固)进行。箱梁预应力的张拉采用双控,张拉时由专职质检员旁站监督,严格按设计张拉顺序对称逐级进行,认真记录压力表读数值、钢绞线伸长值,检查有无断丝、滑丝现象。拆除支架过程中,为保证施工安全,拟定分三部分(A,B,C)(见下图),分批分次拆除支架。
1.计算梁自重和施工荷载作用下的弹性变形。(保留小数点后三位)2.排列A、B、C三部分合理的拆除顺序。3.预应力筋张拉时采用双控的具体含义是什么?4.钢绞线和锚具按规定进行的抽样送检试验项目包括哪些?预应力钢绞线张拉程序是否正确?说明理由。5.计算该支架跨中需要设置的预拱度以及底板的立模标高。(保留小数点后三位)6.依据《公路工程施工安全技术规范》,在架设本桥支架所需要的特殊作业人员有哪些。
10.根据《公路工程施工分包管理办法》,分包人应当具备的条件有()。
9.用于隧道初期支护施工的机械设备有()。
8.成本目标通常以()来定量地表示。
7.施工单位遇()情形,应急预案应当及时修订并归档。
