相关题目
20.在220kV及以上线路保护中后端子上设有TWJ的开入量触点输入。当TWJ动作后,闭锁式的纵联保护在启动元件未启动情况下,要将远方启信推迟100~160ms,请说明此功能的作用。
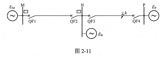
19.某型号纵联方向保护都装有正方向动作的方向元件F+和反方向动作的方向元件F两个方向元件。试回答:(1)当图2-ll中k点发生故障时,故障线路两侧和非故障线路两侧这两个方向元件的动作行为。
(2)按下面四个时段分别叙述在NP线路上发生k(1),QF3单相跳闸又再重合于故障线路的过程中,装于MN线路两侧的闭锁式纵联零序方向保护发信和收信情况。1)启动元件启动开始6~8ms;2)从上述6~8ms到QF3跳闸前;3)从QF3单相跳闸后到重合闸前;4)重合于永久性故障情况。
18.图2一10中保护1、2、3、4、5、6均为允许式纵联方向保护,当图中k点发生故障时,简述保护1~6的行为。
17.高频闭锁式和允许式保护在发信控制方面有哪些区别(以正、反向故障情况为例说明)?
16.高频闭锁式纵联保护的收发信机为什么要采用远方启动发信?
15.请解释相关高频保护的下述概念。(1)允许式和闭锁式;(2)长期发信和短期发信;(3)相一地加工制和相—相加工制。
14.何谓高频保护专用收发信机的启动电平、最低可靠工作电平、接收电平最小裕度?
13.在高频保护中,高频电缆特性阻抗ZC2=100Ω,220kV输电线路的特性阻抗ZCl=400Ω,在高频通道中如何实现匹配?
12.线路运行中通道衰耗突然增加很多(3dB以上),如何排除阻波器的问题?为什么?
11.为什么要求高频阻波器的阻塞阻抗要含有足够的电阻分量?
