相关题目
180.为了适应经济开发区规模不断扩大的需要,某市政府计划在该区内新建一座110kV的变电站。新建变电站周边居住人口密集,站址内有地下给水管道和一幢六层废弃民宅。为加强现场文明施工管理,建设单位要求进行绿色施工评价,项目部制定了相应的现场环境保护措施。主要措施如下:措施1:为减少六层废弃民宅拆除时产生扬尘,在拆除时计划配合洒水等。措施2:为及时清除施工中产生的固体和液体废物,计划将有毒有害废弃物、废油等现场全部烧掉。措施3:计划租赁的推土机和挖掘机只能夜间使用,为了防止噪声扰民,施工单位计划将噪声限值在65dB(分贝)。由于施工单位施工资源有限,将防雷接地工程和供电干线的施工分包给具有专业资质的A单位。A单位编制了防雷接地装置的专项施工方案,接地体采用圆钢和扁钢搭接焊接。监理工程师在审核过程中发现接地系统施工图(如下图)存在几处错误,要求A单位进行修改后重新报批,最终施工方案审批通过,施工方案经过逐级交底后施工
。项目部在施工过程中组织了施工批次评价和施工阶段评价,监理单位参加,单位工程绿色施工评价准备等到验收完成后进行;施工项目完成之后,向建设单位申请竣工验收。建设单位在审查绿色施工评价相关资料之后,认为本项目绿色施工评价不符合有关程序,在评价的组织上也有问题。问题:1.措施1和2中,哪些是正确的?哪些是不正确的?对于不正确的请给出正确的做法。2.指出措施3中存在的问题,并给出正确的做法。3.接地系统施工图存在哪些错误?如何改正。4.请说明圆钢与扁钢的搭接焊接要求,并作图表示。5.说明本工程在绿色施工评价程序和组织上问题有哪些?
179.A公司在南方沿海城市承建了一项石油气储存罐区扩容改造工程,工程包括,新建2台5000立方米的天然气球罐和2台2000立方米的液化石油气球罐。施工内容有:球罐混凝土基础工程、球罐工程,包括球罐组对、焊接、检验试验、整体热处理,系统管道工程等。新建的天然气球罐位于原罐区的东侧,与原有的天然气球罐相邻,中间有一条6m宽的检修道路相隔,新建的液化石油气罐紧邻原有的4台1000立方米的液化石油气罐区北侧。并在一个防火围堰区内。根据工程的实施计划,新建工程施工期间,原油气储存罐区正常运行,仅在新旧系统切接时,对旧球罐做临时关闭。该区属于甲类危险防火区,又地处城市边缘,对安全和环境保护要求高。安装公司根据工程现场情况,组建了有管理经验的项目部,安装绿色施工的管理理念,强化职业健康安全管理,建立了项目部风险管理组和项目部绿色施工管理体系在施工过程中,项目部采取了以下措施:(1)加强防火安全管理,在新旧罐之间,搭建防火墙,划出隔离区(2)项目部组织安全生产教育,在施工过程中,安装公司组织了与工程对应的季节、专业、综合等安全检查。以保障施工过程安全。(3)球罐采用节省施工场地的散装法组织,射线检测采用γ射线全景曝光技术。(4)管道施工采用了工厂化预制,精确下料,保证预制质量,加大管道预制深度,减少现场组焊的工作量减少和避免浪费(5)采用新型钢脚手架储罐与泵连接如图。监理工程师检查时发现:该储罐采用三米高的标准钢板现场焊接制作。储罐与泵之间管道已按图所示安装完毕,泵基础一次灌浆已完成,机架二次灌浆还未灌注。泵出口管道与回流管已按(9)”温度取源部件在压力取源部件的**侧”不妥。措施:将压力取源部件改在温度取源部件的**侧。图所示安装完毕,但泵出管道还未与主管廊连接完成。施工单位提出:泵入口闸阀不能确定介质流向,无法按照介质流向确定阀门安装方向所有工程完工后,项目部进行了风险后评价,对已完成的项目进行分析、检查和总结。
问题:1.国内球形罐整体热处理一般采用什么方法?整体热处理前应该具备哪些条件?2.分析本工程有哪些环境污染因素?应采取哪些对应的措施?3.分析项目部在施工过程中采取的措施中,有哪些符合绿色施工的要求?各属于4节1环保的哪个方面?4.本工程还应有哪些安全检查?安全检查的重点是什么?5.指出本案例中施工不妥之处,并提出整改措施。
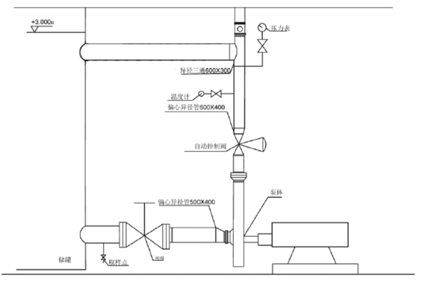
178.某机电安装工程公司通过公开招标承接了一小区机电工程总承包项目,中标价8000万元,工期270天,承包范围包括设备和材料采购、安装、试运行。招标文件规定,为满足设计工艺要求,建设单位建议安装公司将该工程机械设备和电气设备分别由A、B制造单位供货并签订合同,设备暂估价4200万元,在工程竣工后,以实际供货价结算。合同约定:总工期为277天,双方每延误工期1天,罚款5000元,提前1天奖励5000元:预付款按中标价25%支付,预付款延期付款利率按每天1‰计算。施工过程中发生了以下事件:事件1:预付款延期支付30天,致使工程实际开工拖延5天。事件2:因大型施工机械进场推迟3天,进场后又出现故障,延误工期4天,费用损失3万元。事件3:室外直埋电缆敷设隐蔽前,监理工程师进行例行检查。重点检查了直线段每隔50~100m处等关键点,在检查时发现现场诸多问题(如图),要求施工单位限期整改。
问题:1.该工程项目目标工期应为多少天?说明理由。2.事件1~2发生后,安装公司可否向建设单位提出索赔?分别说明理由。3.分别指出施工单位在两处检查点中不符合要求之处,并说明理由。4.计算建设单位实际应补偿安装公司的费用,按事件分别写出计算步骤。
177.背景资料某施工单位承担了一330kV架空线路工程,项目部根据具体情况进行了工作分解,估算了各工作的持续时间,确定了各工作之间的逻辑关系,编制了工作逻辑关系及持续时间表。工作逻辑关系及持续时间:
施工过程中,因设计不合理引起设计变更,造成C工作推迟2天完工。F工作进行中,因施工机械故障停工4天。由于工作量估计不准,D工作的持续时间比计划缩短了1天,E工作、H工作的持续时间分别增加了1天。问题:1.绘制双代号网络图。2.列出关键工作的代号,并计算计划工期。3.计算本工程的实际工期。4.本工程架空线路的接闪线应如何设置?
176.背景资料:某安装公司承接一高层建筑外墙亮化(泛光照明)工程。建筑高度为180m,有3个透空段,建筑结构已完工,外幕墙正在施工;建筑泛光照明工程由LED点源灯、LED投光灯、控制模块、配电箱、电缆、线槽和镀锌电线管组成。施工图纸标明:LED点源灯安装在外幕墙上,LED投光灯安装在透空段平台上,配电箱和控制模块安装在室内,灯具电缆需穿过幕墙接到LED点源灯,进入点源灯的电缆采用柔性导管保护。安装公司项目部进场后,依据合同、施工图、规范和幕墙施工进度计划等编制了泛光照明工程施工方案、施工进度计划和劳动力计划。方案中点源灯的安装选用吊篮施工,吊篮尺寸为6000mm×450mm×1180mm,牵引电动机功率为1.5KW×2,提升速度为9.6m/min,载重630kg(载人2名)。按进度计划租赁4台吊篮。施工中质量检查,存在以下问题:问题1:透空段平台上安装LED投光灯接线盒使用室内接线盒,接到灯具的金属柔性导管长度有2m以上,并将金属柔性导管作为LED投光灯的接地导体。问题2:外幕墙上的LED点源灯的金属柔性导管穿越外幕墙时没有做防水处理,灯具与金属柔性导管的连接用胶布粘贴,并且个别电缆保护层内的导线有外露现象。经过整改,质量问题得到解决。问题:1.针对该工程吊篮施工方案,应制定哪些安全技术措施和主要的应急预案?2.泛光照明工程施工进度计划的编制应考虑哪些因素?3.项目部应如何控制人工成本。4.问题1中,LED投光灯的施工质量问题应如何整改?5.问题2中,LED点源灯的施工质量问题应如何整改?
175.某机电安装公司总承包了一个炼油厂新建装置安装工程,装置安装工程内容包括:机械设备安装;工艺设备包括28台重30~120t的塔、器类设备的吊装、安装;油、汽和其他介质的工艺及系统管道安装;电气仪表、给水排水及防腐绝热工程等。机电安装公司具有特种设备安装改造维修许可证1级许可资格。新建装置位于一个正常运行的液化石油气罐区的东侧,北侧隔路与轻石脑油罐区相邻。根据工程现场情况,机电安装公司组建了现场施工项目部,建立了项目部风险管理组,制定了风险控制措施,落实了施工现场的风险控制。施工开始后,发生了下列事件:事件一:其中有一台高度为60m的大型分馏塔,属于Ⅱ类压力容器,分三段到货,需要在现场进行组焊安装。机电安装公司项目部拟采用在基础由下至上逐段组对吊装的施工方法,并为此编制了分馏塔组对焊接施工方案。在分馏塔着手施工时,项目监理工程师认为机电安装公司不具备分馏塔的现场组焊安装资格,要求项目暂停施工。事件二:工艺管道焊后经射线探伤发现,焊接合格率偏低。项目部组织人员按质量预控的施工因素进行了分析。经查验,工艺文件已按程序审批,并进行了技术交底。查出的问题有:个别焊工合格证的许可项目与实际施焊焊道不符,有2名焊工合格证过期;焊接记录中有部分焊材代用,焊缝外观检查有漏检,部分焊机性能较差。根据分析结果,找出了失控原因,经整改后焊接合格率得到了提高。【问题】1.根据背景的项目工程内容应重点风险识别的作业有哪些?2.风险控制有哪些管理措施?3.简述分段到货设备采用在基础由下至上逐段组对安装方法的组对焊接程序。为什么项目监理工程师认为机电安装公司不具备分馏塔的现场组焊安装资格?机电安装公司应当如何解决分馏塔的现场组焊安装施工的问题?4.针对工艺管道焊接合格率偏低的状况,指出焊接施工的生产要素中哪些因素失控。
174.A公司应邀参加氮制造厂合成压缩工段技改工程投标,招标书说明,以工期安排最短、最合理为中标主要条件。A公司技术部门依据招标书指出的工程内容编制了网络计划(见下图)。
A公司总工程师审核认为网络图不符合最短工期要约,退回重编,经修改重编网络图,A公司最后中标。施工前对高压管道进行无损检测,发现甲供的高压管件(设计压力为12MPa)焊缝存在缺陷,退货重供,延误施工10d,A公司为保证总工期不变,加大投入,实施加班作业,最终如期完工。为此,A公司向业主发出索赔意向书。【问题】1.以不压缩各工序的工作时间及作业方式为前提条件,画出重编的网络计划图。工期可缩短多少天?2.发现高压管件不合格,A公司应如何处理?3.A公司索赔成立的条件是什么?4.该工程进行赶工方法有哪些?应遵循什么原则??
173.某机电总承包公司通过投标承接了一栋60000m2的超高层办公楼的机电安装工程。工程所需6台电梯和4台冷水机组由业主招标选定生产厂家,并与之签订了供货合同。设备进场验收时,验收人员发现没有限速器的型式试验合格证书复印件,要求电梯供应商提供。总承包公司与业主签订合同后,征得业主同意,将其中几项分部工程分包给了几家具有相应资质条件的分包单位。其中消防工程施工过程中,由于施工条件限制,需要更改两处消防水泵的位置,由项目部提出设计变更申请单,经项目部技术管理部门审核,并经监理工程师签字后按变更进行了施工。消防工程完工后,总承包公司向建设单位和公安消防机构提出申请,要求对竣工工程进行消防验收,在公安消防机构指挥下,建设单位主持并组织监理、总承包公司和分包单位共同参加了现场检查和验收。【问题】1.电梯制造资料中还有哪些装置和部件需要型式试验合格证?2.该消防系统工程施工过程中存在什么问题?应该如何做?3.指出该消防系统工程验收中的不正确之处,如何改正?4.消防水泵性能参数有哪些?消防水泵应如何选择?5.指出下图中有哪些错误,并说明原因。
172.某石油化工施工单位承担了一个原油罐区工程,主体工程为4台30000m3浮顶油罐。由于中标时距离合同要求的开工时间很短、工期紧,该施工单位为了保证合同要求的开工日期,工期先行开工,在开工后即刻组织进行施工组织设计的编制工作。在施工组织设计中的主要施工方案设计中,浮顶油罐采用正装法,其部分工序的施工流程如下图所示:
工程开工一个月后,业主考虑到罐区的综合效益,决定将罐区还未施工的2台30000m3浮顶油罐在原址上改为2台50000m3浮顶油罐,修改了油罐和系统的设计。由于对施工单位前期的工程进度和施工质量满意,修改后的罐区工程仍由该施工单位施工,并要求再编制施工组织设计。施工单位认为已经编制了原罐区的施工组织设计,改动后工程内容基本相同,施工方法相同,决定不再编制新的施工组织设计。在业主的要求下,施工单位在原施工组织设计的基础上,对改动部分进行修改,补充部分新增工程内容,形成新的施工组织设计修订版本,报项目总工程师批准后,下发施工作业队实施。【问题】1.施工单位在工程开工后编制施工组织设计的做法是否正确?说明理由。业主在罐区工程修改后要求施工单位编制施工组织设计是否正确?结合背景素材,说明为何需要编制单位修改补充原施工组织设计?2.设计变更应遵循哪些基本要求?3.将下列工序填人流程图中空白部分的适当位置(按空白部分编号进行回答,不需要另绘施工流程)。中幅板铺设;中幅板焊缝无损检测;罐底真空试漏;弓形边缘板焊接(300mm);边缘板焊缝无损检测;调整(检测)底圈壁板(椭)圆度、水平度、垂直度;底圈壁焊缝无损检测。4.施工单位应采取哪些合理的焊接工艺措施来进行预防焊接变形?5.储罐组焊后的充水试验的检查项目有哪些?6.该浮顶储罐安装,如果采用液压边柱倒装法,其主要的工艺流程是什么??
171.某安装工程公司承接某地一处大型吊装运输总承包项目,有80~200t大型设备26台。工程内容包括大型设备卸船后的陆路运输及现场的吊装作业。施工作业地点在南方沿海地区,工程施工特点为:工程量大、工期紧、高空作业多、运输和吊装吨位重。项目部按照合同要求,根据工程的施工特点,分析了该工程项目受外部环境因素的影响,项目部成立了事故应急领导小组进行应急管理,根据施工现场可能发生的施工生产突发事件,编制了专项应急预案,并对应急预案进行了培训。应急预案培训包括的内容有:(1)培训应急救援人员熟悉应急救援预案的实际内容和应急方式,明确各自在应急行动中的任务和行动措施;(2)培训员工懂得在紧急情况发生后有效的逃生方法;(3)培训使有关人员及时知道应急救援预案和实施程序修正和变动的情况。安装工程公司将大型工艺设备的卸船后的陆路及厂内运输的运输任务分包给B大件运输公司。针对80~200t大型设备吊装,项目部研究、确定所有设备的吊装采用履带起重机吊装,为此决定租赁一台750t履带起重机和一台200t履带起重机。项目部组织专业技术人员编制大型设备吊装方案,优化吊装工艺。并对影响大型吊装的质量影响因素进行了预控。在运输一台重115t、长36m的设备时,安装公司项目部的代表曾提出过要用150t拖车运输。但B运输公司由于车辆调配不能满足要求,采用了一台闲置数月的停放在露天车库的100t半挂运输车进行运输,设备装上车后没有采取固定措施,运输前和运输中没有安全员或其他管理人员检查、监督。运至厂区一个弯道时,半挂车拐弯过急,设备自车上摔下损坏,除了保险公司赔偿外业主还直接损失15万元。经查,B公司没有制订设备运输方案,也没有安全技术交底记录。【问题】1.根据背景,本工程施工现场可能发生哪些施工生产和自然灾害突发事件?2.上述应急预案培训的内容是否全面?若不全面补充缺失的内容。3.简述为完成重量和尺寸已经确定的既定设备的吊装,确定主吊吊车臂长的步骤和要求。4.大型设备的吊装施工中,应采取哪些对质量影响因素的预控措施?5.B公司运输设备发生设备掉出运输车损坏事故应负什么责任?事故产生的原因有哪些??
