单选题
126、晶体管有3个工作区,在数字电路中,它工作在()区。
A
饱和
B
截止
C
放大
D
饱和或截止
答案解析
正确答案:D
解析:
好的,让我们来详细解析这道题目。
### 题目背景
晶体管是一种半导体器件,广泛应用于各种电子电路中。根据其工作状态的不同,晶体管可以分为三个工作区:饱和区、截止区和放大区。
### 晶体管的三个工作区
1. **饱和区**:
- 在这个区域,晶体管的集电极-发射极电压 \( V_{CE} \) 很小,几乎为零。
- 晶体管相当于一个闭合的开关,电流可以自由通过。
- 通常用于开关电路中的“导通”状态。
2. **截止区**:
- 在这个区域,晶体管的基极-发射极电压 \( V_{BE} \) 很小,不足以使晶体管导通。
- 晶体管相当于一个断开的开关,没有电流通过。
- 通常用于开关电路中的“关断”状态。
3. **放大区**:
- 在这个区域,晶体管的基极电流 \( I_B \) 控制着集电极电流 \( I_C \),使得 \( I_C = \beta I_B \)(其中 \(\beta\) 是电流增益)。
- 晶体管可以放大输入信号,常用于模拟电路中的放大器。
### 数字电路中的应用
在数字电路中,晶体管主要用作开关元件,而不是放大元件。因此,晶体管在数字电路中通常工作在两个极端状态:导通(饱和区)和关断(截止区)。
### 选项分析
- **A. 饱和**:正确,但不全面。晶体管在数字电路中确实会工作在饱和区,但这不是唯一的状态。
- **B. 截止**:正确,但不全面。晶体管在数字电路中确实会工作在截止区,但这不是唯一的状态。
- **C. 放大**:错误。在数字电路中,晶体管不工作在放大区,因为不需要放大信号。
- **D. 饱和或截止**:正确且全面。晶体管在数字电路中会在饱和区和截止区之间切换,以实现开关功能。
### 答案解析
正确答案是 **D. 饱和或截止**。因为在数字电路中,晶体管主要用于实现逻辑门的功能,如与门、或门等,这些逻辑门需要晶体管在导通(饱和区)和关断(截止区)之间快速切换,而不会在放大区工作。
### 示例
假设你有一个简单的数字电路,比如一个与门(AND gate)。在这个电路中,晶体管会在两种状态下工作:
- 当输入信号为高电平时,晶体管导通,处于饱和区。
- 当输入信号为低电平时,晶体管关断,处于截止区。
相关题目
单选题
74.()是根据电气设备在汽车上的实际安装位置、线束分段以及各分支导线端口的具体连接情况而绘制的电路图。
单选题
73.()不会详细描绘线束内部的线路走向,只将裸露在线束外的接头与插接器作详细编号或用字母标记;突出装配记号的电路表现形式,便于安装、配线、检测与维修。
单选题
72.()是一种专门用来标记接线与连接器的实际位置、色码、线型等信息的指示图。
单选题
71.下列关于PTC型的热敏电阻说法正确的是()。
单选题
70.车辆电子系统中用于测量加热元件的热敏电阻一般是()。
单选题
69.对于普通数字式万用表的使用,下列说法正确的是()。
单选题
68.数字万用表上的A~档代表()。
单选题
67.新能源车型维修技师需具备以下资质:()。
单选题
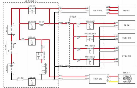
1、某品牌纯电动汽车高压控制盒内部控制电路如图所示,车辆快充结束时,()控制高压系统下电。
单选题
1、下图为某品牌纯电动汽车整车高压连接线图,当车辆充电时闭合的接触器有()。
