简答题
22.在工频耐压试验中,被试品局部击穿,为什么有时会产生过电压?如何限制过电压?
答案解析
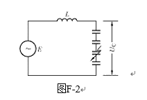
正确答案:答:若被试品是较复杂的绝缘结构,可认为是几个串联电容,绝缘局部击穿就是其中一个电容被短接放电,其等值电路如图F-2所示。

图F-2中E为归算到试验变压器高压侧的电源电动势,L为试验装置漏抗。当一个电容击穿,它的电压迅速降到零,无论此部分绝缘强度是否自动恢复,被试品未击穿部分所分布的电压已低于电源电动势,电源就要对被试品充电,使其电压再上升。这时,试验装置的漏抗和被试品电容形成振荡回路,使被试品电压超过高压绕组的电压,电路里接有保护电阻,一般情况下,可限制这种过电压。但试验装置漏抗很大时,就不足以阻尼这种振荡。这种过电压一般不高,但电压等级较高的试验变压器绝缘裕度也不大,当它工作在接近额定电压时,这种过电压可能对它有危险,甚至击穿被试品。一般被试品并联保护球隙,当出现过电压时,保护球隙击穿,限制电压升高。

图F-2中E为归算到试验变压器高压侧的电源电动势,L为试验装置漏抗。当一个电容击穿,它的电压迅速降到零,无论此部分绝缘强度是否自动恢复,被试品未击穿部分所分布的电压已低于电源电动势,电源就要对被试品充电,使其电压再上升。这时,试验装置的漏抗和被试品电容形成振荡回路,使被试品电压超过高压绕组的电压,电路里接有保护电阻,一般情况下,可限制这种过电压。但试验装置漏抗很大时,就不足以阻尼这种振荡。这种过电压一般不高,但电压等级较高的试验变压器绝缘裕度也不大,当它工作在接近额定电压时,这种过电压可能对它有危险,甚至击穿被试品。一般被试品并联保护球隙,当出现过电压时,保护球隙击穿,限制电压升高。
相关题目
单选题
50.换路定律是分析电路过滤过程和确定初始值的基础。()
单选题
49.一个周期性非正弦量也可以表示为一系列频率不同,幅值不相等的正弦量的和(或差)。()
单选题
48.在一个电路中,选择不同的参考点,则两点间的电压也不同。()
单选题
47.红外诊断电力设备内部缺陷是通过设备外部温度分布场和温度的变化,进行分析比较或推导来实现的。()
单选题
46.能满足系统稳定及设备安全要求,能以最快速度有选择地切除被保护设备和线路故障的继电保护,称为主保护。()
单选题
45.红外线是一种电磁波,它在电磁波连续频谱中的位置处于无线电波与可见光之间的区域。()
单选题
44.应用红外辐射探测诊断方法,能够以非接触、实时、快速和在线监测方式获取设备状态信息,是判定电力设备是否存在热缺陷,特别是外部热缺陷的有效方法。()
单选题
43.SF6气体湿度较高时,易发生水解反应生成酸性物质,对设备造成腐蚀;加上受电弧作用,易生成有毒的低氟化物。故对灭弧室及其相通气室的气体湿度必须严格控制,在交接、大修后及运行中应分别不大于150×10?6及300×10?6(体积分数)。()
单选题
42.变压器负载损耗中,绕组电阻损耗与温度成正比;附加损耗与温度成反比。()
单选题
41.GIS耐压试验时,只要SF6气体压力达到额定压力,则GIS中的电磁式电压互感器和避雷器均允许连同母线一起进行耐压试验。()
