简答题
21.工频耐压试验接线中球隙及保护电阻有什么作用?
答案解析
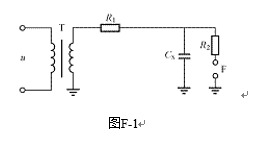
正确答案:答:在现场对电气设备Cx进行工频耐压试验,常按图F-1接线(R1为保护电阻,R2为球隙保护电阻,F为球隙)。
球隙由一对铜球构成,并联在被试品Cx上,其击穿电压为被试品耐压值的1.1~1.2倍,接上被试品进行加压试验过程中,当因误操作或其他原因出现过电压时球隙就放电,避免被试品因过电压而损坏。

当球隙放电时,若流过的电流较大,会使铜球烧坏,因此在球隙上串一电阻R2(按1?/V来选)以减少流过球隙的电流。R2还有一个重要作用,就是起阻尼作用,在加压试验中,如球隙击穿放电,电源被自动断开后,由于被试品Cx(相当于一个电容器)已充电,因此电容中的电能通过连线和球隙及大地形成回路(见图F-1)放电。因为连线中存在电感L,所以电容中的电能CU2/2,转为电感中的磁能LI2/2,电能与磁能之间的变换会形成振荡,可能产生过电压,损坏被试品,串上R2后可使振荡很快衰减下来,降低振荡过电压,因此,R2也称阻尼电阻。R1的作用是当被试品Cx击穿时,限制试验变压器输出电流,限制电磁振荡过电压,避免损坏仪器设备。
球隙由一对铜球构成,并联在被试品Cx上,其击穿电压为被试品耐压值的1.1~1.2倍,接上被试品进行加压试验过程中,当因误操作或其他原因出现过电压时球隙就放电,避免被试品因过电压而损坏。

当球隙放电时,若流过的电流较大,会使铜球烧坏,因此在球隙上串一电阻R2(按1?/V来选)以减少流过球隙的电流。R2还有一个重要作用,就是起阻尼作用,在加压试验中,如球隙击穿放电,电源被自动断开后,由于被试品Cx(相当于一个电容器)已充电,因此电容中的电能通过连线和球隙及大地形成回路(见图F-1)放电。因为连线中存在电感L,所以电容中的电能CU2/2,转为电感中的磁能LI2/2,电能与磁能之间的变换会形成振荡,可能产生过电压,损坏被试品,串上R2后可使振荡很快衰减下来,降低振荡过电压,因此,R2也称阻尼电阻。R1的作用是当被试品Cx击穿时,限制试验变压器输出电流,限制电磁振荡过电压,避免损坏仪器设备。
相关题目
单选题
51.光线示波器是由光学系统、传动系统、电气系统、时标发生器及振动子五大部分组成的。()
单选题
50.换路定律是分析电路过滤过程和确定初始值的基础。()
单选题
49.一个周期性非正弦量也可以表示为一系列频率不同,幅值不相等的正弦量的和(或差)。()
单选题
48.在一个电路中,选择不同的参考点,则两点间的电压也不同。()
单选题
47.红外诊断电力设备内部缺陷是通过设备外部温度分布场和温度的变化,进行分析比较或推导来实现的。()
单选题
46.能满足系统稳定及设备安全要求,能以最快速度有选择地切除被保护设备和线路故障的继电保护,称为主保护。()
单选题
45.红外线是一种电磁波,它在电磁波连续频谱中的位置处于无线电波与可见光之间的区域。()
单选题
44.应用红外辐射探测诊断方法,能够以非接触、实时、快速和在线监测方式获取设备状态信息,是判定电力设备是否存在热缺陷,特别是外部热缺陷的有效方法。()
单选题
43.SF6气体湿度较高时,易发生水解反应生成酸性物质,对设备造成腐蚀;加上受电弧作用,易生成有毒的低氟化物。故对灭弧室及其相通气室的气体湿度必须严格控制,在交接、大修后及运行中应分别不大于150×10?6及300×10?6(体积分数)。()
单选题
42.变压器负载损耗中,绕组电阻损耗与温度成正比;附加损耗与温度成反比。()
