简答题
5.工频耐压试验接线中球隙及保护电阻有什么作用?
答案解析
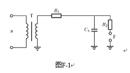
正确答案:答:在现场对电气设备Cx进行工频耐压试验,常按图F-1接线(R1为保护电阻,R2为球隙保护电阻,F为球隙)。
球隙由一对铜球构成,并联在被试品Cx上,其击穿电压为被试品耐压值的1.1~1.2倍,接上被试品进行加压试验过程中,当因误操作或其他原因出现过电压时球隙就放电,避免被试品因过电压而损坏。

当球隙放电时,若流过的电流较大,会使铜球烧坏,因此在球隙上串一电阻R2(按1?/V来选)以减少流过球隙的电流。R2还有一个重要作用,就是起阻尼作用,在加压试验中,如球隙击穿放电,电源被自动断开后,由于被试品Cx(相当于一个电容器)已充电,因此电容中的电能通过连线和球隙及大地形成回路(见图F-1)放电。因为连线中存在电感L,所以电容中的电能CU2/2,转为电感中的磁能LI2/2,电能与磁能之间的变换会形成振荡,可能产生过电压,损坏被试品,串上R2后可使振荡很快衰减下来,降低振荡过电压,因此,R2也称阻尼电阻。R1的作用是当被试品Cx击穿时,限制试验变压器输出电流,限制电磁振荡过电压,避免损坏仪器设备。
球隙由一对铜球构成,并联在被试品Cx上,其击穿电压为被试品耐压值的1.1~1.2倍,接上被试品进行加压试验过程中,当因误操作或其他原因出现过电压时球隙就放电,避免被试品因过电压而损坏。

当球隙放电时,若流过的电流较大,会使铜球烧坏,因此在球隙上串一电阻R2(按1?/V来选)以减少流过球隙的电流。R2还有一个重要作用,就是起阻尼作用,在加压试验中,如球隙击穿放电,电源被自动断开后,由于被试品Cx(相当于一个电容器)已充电,因此电容中的电能通过连线和球隙及大地形成回路(见图F-1)放电。因为连线中存在电感L,所以电容中的电能CU2/2,转为电感中的磁能LI2/2,电能与磁能之间的变换会形成振荡,可能产生过电压,损坏被试品,串上R2后可使振荡很快衰减下来,降低振荡过电压,因此,R2也称阻尼电阻。R1的作用是当被试品Cx击穿时,限制试验变压器输出电流,限制电磁振荡过电压,避免损坏仪器设备。
相关题目
单选题
67.单相变压器接通正弦交流电源时,如果合闸瞬间加到一次绕组的电压恰巧为最大值,则其空载励涌流将会很大。()
单选题
66.导体的波阻抗决定于其单位长度的电感和电容的变化量,而与线路的长度无关。()
单选题
65.谐振电路的品质因数Q的大小与电路的特性阻抗
成正比,与电路的电阻R(Ω)成反比,即Q=
。()
单选题
64.操作波的极性对变压器外绝缘来讲,正极性比负极性闪络电压低得多。()
单选题
63.在中性点不直接接地的电网中,发生单相接地时,健全相对地电压有时会超过线电压。()
单选题
62.对人工污秽试验的基本要求是等效性好、重复性好、简单易行。()
单选题
61.分析电路中过渡过程时,常采用经典法、拉氏变换法。()
单选题
60.在不均匀电场中增加介质厚度可以明显提高击穿电压。()
单选题
59.对于一个非正弦的周期量,可利用傅里叶级数展开为各种不同频率的正弦分量与直流分量,其中角频率等于ωt的称为基波分量,角频率等于或大于2ωt的称为高次谐波。()
单选题
58.发电机的负序电抗是指当发电机定子绕组中流过负序电流时所呈现的电抗。()
