相关题目
单选题
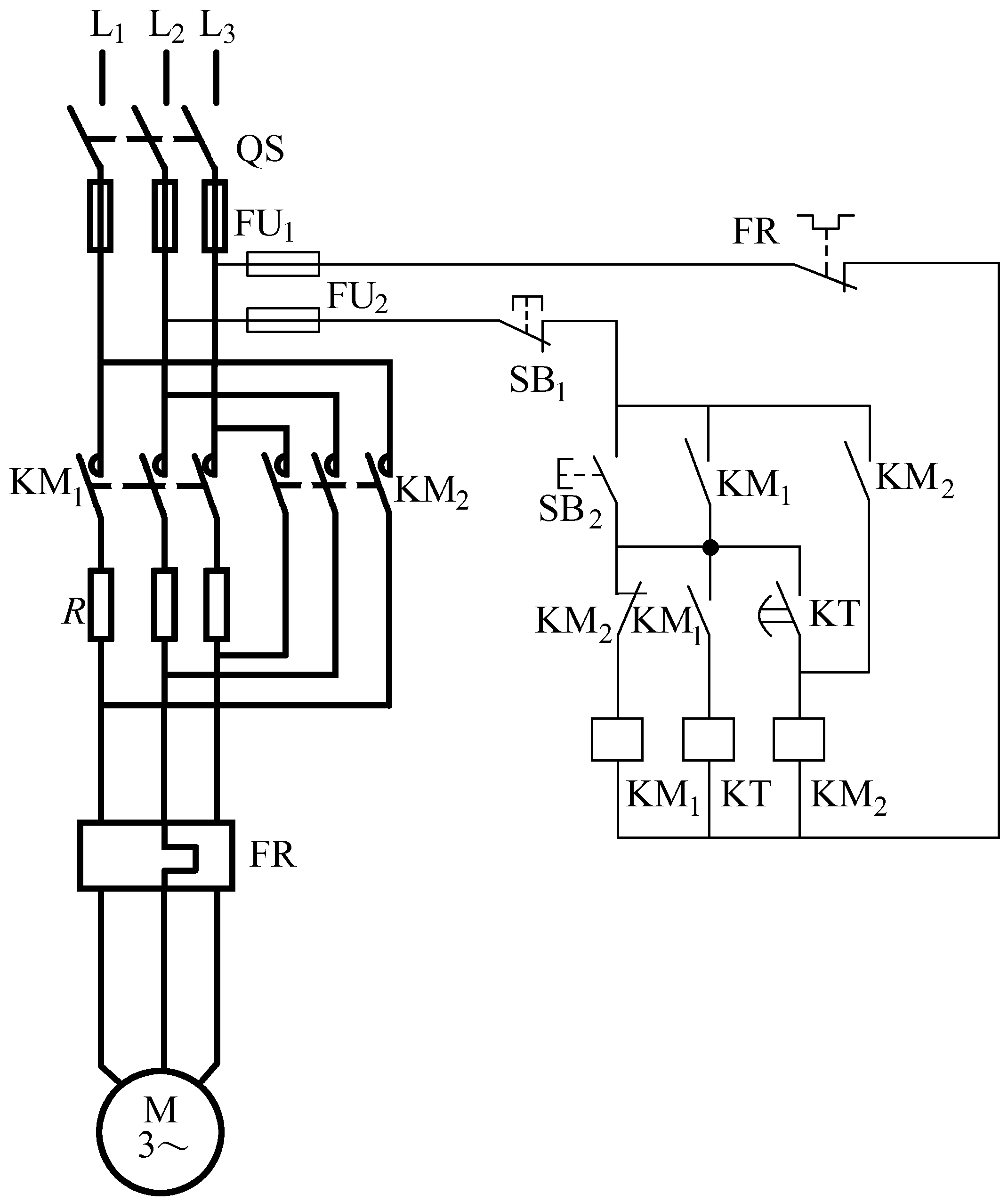
54. ( )试写出控制电路的作用,并分析其工作原理。
单选题
53.(判断题)线圈额定电压为110V的同型号的两个交流接触器,可串联接在220V的交流电源上正常工作。( )
单选题
52.(判断题)为了防止电动机正反转运行时主电路发生短路,必须在控制回路中设置自锁环节。( )
单选题
51.(判断题)在绘制电气控制原理图时,各电器元件均按已通电的状态。( )
单选题
50.(判断题)多地控制的接线原则是:启动按钮相互串联,停止按钮相互并联。( )
单选题
49.(判断题)下图电路正确吗?( )
单选题
48.(判断题)熔断器在电气控制线路中起短路保护作用。( )
单选题
47.(判断题)热继电器和过电流继电器在起过载保护作用时可相互替换。( )
单选题
46.(填空题)反接制动时,当电动机的转速接近()时,应及时(),防止电动机反转。
单选题
45.(填空题)接触器主要由电磁机构、()和灭弧装置组成。
