相关题目
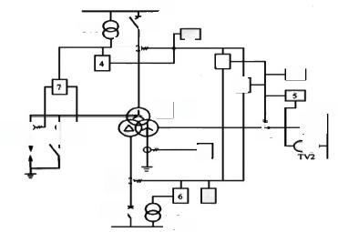
1.2.103 下图为220kV变压器保护典型配置图,则保护2、3的名称为 ( )。
图2 三绕组变压器保护配置图a. (复合电压启动)过电流保护; b. 纵差动保护;c. 高压侧零序电流电压保护; d. 过负荷保护。
1.2.102为防止发电机盘车过程中,出口断路器误合闸,使发电机异步启动,对 机组造成损伤,需要设置 ( )。
1.2.101发电机的逆功率保护的主要作用是 ( )。
1.2.100发电机的负序过流保护主要是为了防止 ( )。a. 损坏发电机的定子线圈; b. 损坏发电机的转子;c. 损坏发电机的励磁系统; d. 损坏发电机出现飞车。
1.2.99发电机复合电压起动的过电流保护在( ) 低电压起动过电流保护。a. 反应对称短路及不对称短路时灵敏度均高于;b. 反应对称短路灵敏度相同但反应不对称短路时灵敏度高于;c. 反应对称短路及不对称短路时灵敏度相同只是接线简单于。
1.2.98发电机定子绕组过电流保护的作用是( )。
1.2.97由反应基波零序电压和利用三次谐波电压构成的100%定子接地保护,其基 波零序电压元件的保护范围是 ( )。a. 由机端点向中性点的定子绕组的15%~20%。;b. 由中性点向机端的定子绕组的15%~20%。;c.100% 的定子绕组。
1.2.96由反应基波零序电压和利用三次谐波电压构成的100%定子接地保护,其基 波零序电压元件的保护范围是 ( )。a. 由中性点向机端的定子绕组的85%~90%;b. 由机端向中性点的定子绕组的85%~90%;c.100% 的定子绕组。
1.2.95反应于发电机定子双星形绕组中性点连线电流大小,作为定子绕组匝间短 路的保护,兼做定子绕组开焊保护的是发电机 ( )。a. 纵差保护; b. 横差保护; c. 负序过负荷保护; d. 定子接地保护。
1.2.94采用比率制动式的差动保护继电器,可以( )。a. 躲开励磁涌流; b. 提高区内故障时的灵敏度;c. 防止电流互感器二次回路断线时误动; d. 提高区内故障快速性。
