相关题目
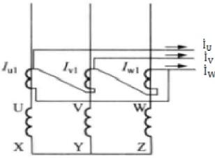
1.4.73有一台变压器Yd11接线如下图,在其差动保护带负荷检查时,测得Y 侧电 流互感器电流相位关系i 超前l60°,Iu 超前1w150°,Iw 超前lv150°, 且Iw=8.66A, Iu=I=5A, 试分析变压器Y 侧电流互感器是否接线错误。
图19变压器接线图
1.4.72请简述电缆屏蔽层两端接地与一端接地屏蔽功能的差异。
3Ω负载阻抗( )时,其变比误差能否超过10%? 答:一次侧通过最大三相短路电流4800A 时,二次电流为4800/120=40AU₁=( )×3=111V因111V<150V 对应应
, 若I '按3A 计算,则
1.4.70一台10P15的保护用电流互感器,具体参数如下:额定电流比Kn=600/5, 额 定二次电流Isn=5A, 额定二次负载视在功率Sbn为30VA (变比600/5)、50VA (变比 1200/5),额定二次负载电阻Rbn=1.2Ω,二次负载电阻Rb=0.38Ω, 二次绕组电阻RTA =0.45Ω。如经测试得到实测拐点电动势Ek为130V (变比600/5)、260V (变比1200/5), 请分析该TA电流互感器额定二次极限电动势是否满足要求。
1.4.69请简述电压互感器二次回路保护设备配置的原则。
1.4.68请简述电流互感器饱和时其二次电流特征。
1.4.67 一台变压器的差动、瓦斯保护的出口回路如下图所示。它的直流电源额定 电压为220V 。ZJ1 、ZJ2为110V中间继电器,电阻为2000Ω, 其动作电压为它额定电压 的60%。R 为外串电阻2000Ω。XJ1、XJ2 为0.05A 信号继电器,其电阻为300Ω,动作电 流略小于额定电流。请校验仅差动保护单独动作时能否可靠动作?
图18差动、瓦斯保护的出口回路图
1.4.66根据电气防跳回路图,简要介绍防跳继电器如何防止断路器跳跃现象。
图17电气防跳回路图
1.4.65发电机匝间保护若采用测量机端3Uo, 为什么要选择机端侧电压互感器中 性点接于发电机中性点的专用电压互感器?
1.4.64简述断路器闪络保护的判据及投退方式?
