相关题目
单选题
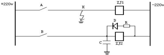
1.4.101 图示电路中K点发生直流接地,试说明此时如接点A动作,会对继电器 ZJ2产生什么影响?(注:图中C 为抗干扰电容,可不考虑电容本身的耐压;ZJ2为快 速中间继电器)
图23直流接地故障示意图
单选题
1.4.100交流220V 串入直流220V 回路可能会带来什么危害?
单选题
1.4.99请简述查找直流接地的注意事项。
单选题
1.4.98请简述查找直流接地的主要步骤。
单选题
1.4.97简述瓦斯保护的反事故措施要求。
单选题
1.4.96在对微机继电保护装置进行哪些工作时应停用整套保护。
单选题
1.4.95对于被检验保护装置与其他保护装置共用电流互感器绕组的特殊情况,应 采取何种措施防止保护装置误启动?
单选题
1.4.94在继电保护整组试验中应着重检查哪些问题?
单选题
1.4.93请简述电压并列装置的作用。
单选题
1.4.92按自动化程度不同,请简述准同期并列的不同方式。
