相关题目
2)确定为二次问题后,应主要查的几个方面: TA 特性、二次线、装置采样计算。 应体现先后顺序。(1)C 相电流互感器传变特性异常。可通过对互感器伏安特性、变比、绝缘、直 流电阻测试,将测试结果与原始记录进行对比来发现问题,但是运行中的电流互感器 特性突然变坏的可能性不大,该项检查可放在最后进行。(2)电流互感器至保护装置二次电流回路检查。①二次电流回路外观检查,有 无放电、灼烧等异常痕迹,查相与相之间、相与地之间是否有异物搭碰。②全回路绝 缘测试,测试芯对地、芯对芯绝缘,绝缘水平应满足检验规程的标准。应尽可能将测 试范围从互感器接线盒到保护装置背板的电流二次回路全部包含进去,检查是否存在 两点接地。③C 相互感器二次全回路负载测试,与原始记录比较,查C回路负载是否 有明显增大现象。(3)保护装置检查。①保护装置交流采样系统硬件故障,更换采样板。②保护 装置软件计算错误。更换CPU。以上三个方面查找的注意事项:(1)注意原始状态的保留,外观检查后,不宜立即对电流回路进行解线、紧螺 丝等工作,不宜立即进行保护装置插件检查,也不宜立即进行互感器特性检查。 一个 原则就是可能动到回路接线的检查工作应在采样值检查之后进行。即希望于在外加电 流试验时能将故障现象重现,这对快速查找到事故根源非常关键。(2)采样值检查时,保护试验仪IA'、IB'、Ic'、Ir'电流线直接从保护电流回路IA、 IB 、Ic 、IN并线接入,接入点应选在互感器的二次接地点(若互感器二次接地点在保 护屏,则在保护屏后加电流,若互感器二次接地点在开关端子箱则在端子箱处加电流, 要保证试验仪N相与电流二次回路N相共一个接地点)(3)应注意测试用仪器仪表的准确性和正确的使用,避免不必要的误导。
3.4.10某电厂一台机组危急保安器误动关闭主汽门,跳开灭磁开关并联跳发变组 高压侧断路器。但由于断路器脱扣器故障, a 相断路器未能跳开。发电机负序过流等 保护动作后仍未能跳开a相断路器,6min后由运行人员在现场手动将该断路器断开。 但发电机转子及护环受到了损坏。已知I₂*=0.4, 发电机允许A值为8,试分析发电机转 子损坏原因,并简述负序电流对发电机转子的影响。
3.4.9某线路保护装置零序电流频繁启动,同时伴随有TA 断线告警信号,查看装 置采样,三相电流为Ia=1.5A 、Ib=1.5A 、Ic=1.0A 、3Io=0.5A, 装置显示各相电流相序正 常。请说出你的分析处理思路。
5.121A图39600MW机组发变组录波图
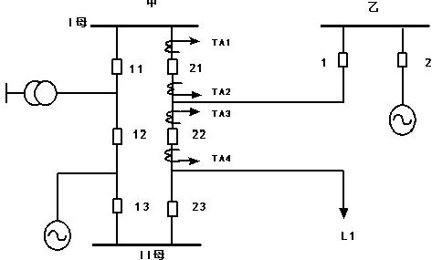
3)若在本次故障中甲站22断路器A 相发生拒动,试分析各保护及断路器的动作行 为。
甲图38500kV系统接线图
127.1蛰有效值> 一次系统值
图37故障录波图
3.4.5 请根据下列故障录波器录波图分析发生故障的部位,故障及保护和自动装 置动作的过程,判断故障原因。并分析什么主保护应该动作
6.T t(二次值)热--17.-17.0图35故障录波图
3.4.4 某电厂发变组主接线如下图,电气故障导致主变差动和厂变差动动作( ),录波图形如下,试分析故障类型及位置,简述故障过程。
图34电厂发变组主接线图名族段标志相对时标( ) 鱼
1長有 效 值 》 一 次系统值有 效 值一 次系统值
励磁电流Ie



ⱠⱡⱢⱣⱤⱥⱦⱧⱨⱩⱪⱫⱬⱴⱵⱶⱷⱠⱡ□ 69+主 安高压侧零序电 发电机中性点侧电压UⱢ□ 72+图33故障录波图
0oo图31甲站侧录波图
