相关题目
单选题
6.大型机组给水泵,采用变速给水泵的目的,是为了()(。
单选题
5.带有旁路系统的机组,锅炉启动时产生的蒸汽()。
单选题
4.大型机组热力系统中,低压加热器疏水一般()。
单选题
3.振动传感器检测线圈的感应电动势的大小,与振动速度()(。
单选题
2.汽轮机轴向位移保护动作值与整定值之差,应不大于()(。
单选题
1.通过火焰图像的变化,可以()发现火焰故障,以便运行人员采取相应措施防止灭火。
单选题
13. 下图是机组大联锁保护系统的原则性框图。试说明其保动作的逻辑关系。
单选题
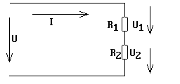
12. 某仪器输入的电压U=50V利用下各电路进行分压,已知R2=9千欧,R1=1千欧,问R1分出的电压U1为多少?
解:U1= U×R1/( ) =50×1/( )=5V
单选题
11. 水位自动调节系统图如下图所示,运行中希望维持水面高度H不变,要求:(1)画出系统原理方框图,并指出被调量和扰动。(2)简述系统工作原理。
单选题
10.汽机调速系统晃动的原因有哪些?怎样消除?
