相关题目
单选题
45、集成运算放大电路如下图所示,输出电压U0是多少()V。
单选题
44、晶体管电路如下图所示,若忽略二极管压降,UAB是多少()V。
单选题
43、三相异步电动机工作时,电路中各量值说法正确的( )。
单选题
42、对带有( )V及以上电压的信号设备进行工作时,一般应切断电源或者双人作业。
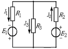
单选题
41、如图示电路,下列回路方程正确的公式是()。
单选题
40、理想电压源和理想电流源间( )。
单选题
39、已知空间有a、b两点,电压Uab=10V,a点电位为Va=4V,则b点电位Vb为()。
单选题
38、
A相位差
是( )。
单选题
37、在纯电容电路中,增大电源频率时,其它条件不变,电路中电流将()。
单选题
36、若电路中某元件两端的电压u=10sin(314t+450)V,电流i=5sin(314t+720)A,则该元件是( )。
