相关题目
单选题
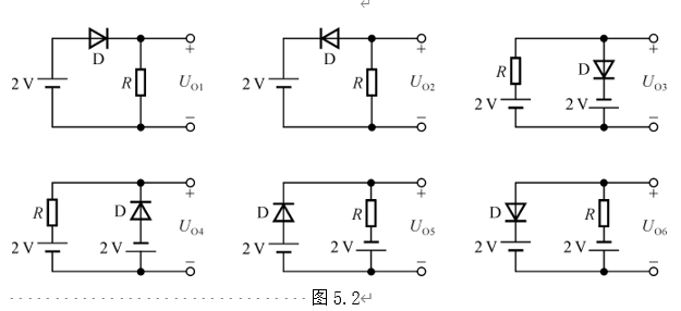
2、写出图5.2所示各电子电路的输出电压值,设二极管导通电压UD=0.7V。
单选题
1、求图5.1电路中的电流I。已知R1=R3=2,R2=5,R4=8,R5=14,E1=8V,E2=5V,IS=3A。
图5.1
单选题
80、常见三相负载的联结原则是使加于每相负载上的电压等于其额定电压,而与其电源的联接方式无关。()
单选题
79、同相比例运算放大电路只与外部电阻有关,与运算放大器本身参数无关。( )
单选题
78、二极管的反向电流受温度的影响,温度愈高反向电流愈大。()
单选题
77、往纯净的半导体中掺入某些杂质,其导电能力会发生明显改变。()
单选题
76、在绕线型电动机的转子电路中接入一个调速电阻,改变电阻的大小,在负载转矩不变时,就可得到平滑调速。( )
单选题
75、提高功率因数的原则是保证原负载的工作状态不变。()
单选题
74、滤波电路利用储能元件电容两端电压不能突变的特性,滤掉整流电路输出电压中的交流成份,保留其直流成份,达到平滑输出电压波形的目的。( )
单选题
73、稳压二极管的动态电阻越小,曲线越陡,稳压性能越好。()
