相关题目
单选题
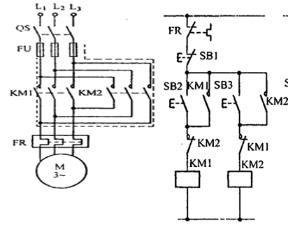
7.下图为三相异步电动机正反转控制线路,试分析其电路工作原理。
单选题
6.某机床的液压泵电机M1和主电机M2的运行情况,有如下要求:(1)必须先起动M1,然后才能起动M2;(2)M2可以单独停转;(3)M1停转时,M2也应自动停转;(4)两台电机都具有短路、过载保护。
单选题
5.某机床有两台三相异步电动机。要求:第一台电机起动运行5s后,第二台电机自行起动,第二台电机运行10s后,两台电机都停止;两台电机都具有短路、过载保护。
单选题
4.设计一台三相异步电动机的主电路和控制电路,要求:该电动机能单向连续运行,并能实现两地控制,有短路、过载保护。
单选题
3.三相笼型异步电动机的降压起动的目的是什么?主要有哪些降压起动方法?
单选题
2.简述能耗制动优点和缺点。
单选题
1.简述电动机常用的6种保护?
单选题
50.不管就是直流电动机,还就是交流电动机,都要进行弱磁保护。( )
单选题
49.维修时可根据实际需要修改生产机械得电气控制线路。( )
单选题
47.星三角降压启动只适用于轻载或空载下启动,凡就是在正常运行时,定子绕组作三角形链接得异步电动机,均可采用这种降压启动方法。( )
