简答题
2)已知双馈发电机的转子电压跟转子开路电压通常满足:,且转子最大可控电压为750V。请结合上图,通过计算分析说明为什么不能在转速为930rpm时完成风机并网。
答案解析
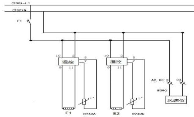
正确答案:根据上表,980rpm转速对应的转差率,对比930rpm转速对应的转差率,按照上图所显示的转子电压曲线,其转子电压约为,这样会造成实际转子电压可能大于最大可控制连续转子电压(750V),从而造成变流器保护无法并网。案例分析三十四某机组运行中发生顶部控制器通讯丢失故障(控制器重启无效、机组无通讯 状态、紧急停机、可手动解缆、塔上塔下采用光纤通讯 ACTNET 通讯协议),检修 人员登塔检查发现中平台向上到顶部平台电缆扭缆严重(远大于扭缆保护动作角 度、电缆外观检查无明显损伤、撕裂),中平台有大量散落扎带绷断,进入机舱 检查发现 F1 空开跳开,通过测量发现超声波风速仪并未损坏,后台调取部分运 行数据如下。请根据以下数据回答下列问题。(偏航控制策略:风速>8m/s,相 对角度大于 8 ° 自动对风;偏航计数器采用凸轮结构,扭缆保护信号 s1 接常开节点,低电平报扭缆保护动作、高电平正常。)



题目纠错
相关题目
单选题
75.LAB20075 电力生产企业发生人身、设备事故,按照( )的原则,确定事故责任主体。
单选题
74.LAB20074 生产管理必须坚持( )的方针。
单选题
73.LAB20073 生产经营单位应当制定本单位生产安全事故( )预案,与所在 地县级以上人民政府组织制定的生产安全事故应急救援预案相衔接,并( ) 组 织 演练。
单选题
72.LAB20072 绝缘手套的试验周期为每( )一次。
单选题
71.LAB20071 绝缘靴(鞋)的试验周期是( )。
单选题
70.LAB20070 防止火灾的基本方法是:控制可燃物、隔绝空气、( )、阻止火势爆 炸波的蔓延。
单选题
69.LAB20069 在临近或交叉10、35、110kV 和500KV 架空输电线工作的最小安全距离 分别为( ) m。
单选题
68.LAB20068 人员工作中与35、110、220KV设备带电部分的安全距离分别为( )m。
单选题
67.LAB20067 10 、35KV配电装置的裸露部分在跨越人行过道或作业区时,若导电部分 对地高度分别小于( ) m, 该裸露部分两侧和底部须装设护网。
单选题
66.LAB20066 关于安全生产法规、安全生产规程制度定期组织考试,以下说法正确的为 ( )。
