相关题目
单选题
8.图E-33所示为风力发电机回流式布置简图,请注明各数字所代表的部件名称。
图E-33
单选题
7.识图E-28,针对风电机组说明其工作性质。
单选题
6.如图E-26所示,说明1、2、3、4的液压辅助元件的名称。
单选题
5.说明图E-25所示图形符号所代表的液压元件名称。
图E-25
单选题
4.试画出液控单向阀、直接控制溢流阀和减压阀的职能符号。
单选题
3.在图E-19中各方框内填写适当的额定电压值。
E-19
单选题
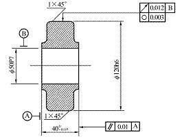
2.说明图E-17中标注的各项形位公差的含义。
图E-17
单选题
1.请画出接地一般符号、故障、导线对地绝缘击穿、导线间绝缘击穿和闪络、击穿符号。
单选题
11.测得某风场一年内不小于10而不大于15m/s这一风速段内的吹刮频率为15%,求这一风速段内的年吹刮时数是多少?
单选题
10.已知某一风力发电机制动卡钳弹簧被压缩到位时的作用力是20000N,液压缸端面积是1200mm2,试求液压系统压力至少达到多少数值时才能保证弹簧被压缩(1N/mm2=10bar)?
