相关题目
单选题
@[T]B-A-F-013 4 1 4 桥式起重机提升重物时,提升电动机产生的电磁转矩的方向和负载转矩的方向相反,此时,电动机转子回路串入的电阻越多,负载提升的速度越快。
单选题
[T]B-A-F-013 4 1 3 桥式起重机设立零位保护的目的是防止当控制器的控制手柄不在零位,电源断电后又重新送电时,电动机自行启动而发生事故。
单选题
[T]B-A-F-012 4 2 5 根据实物测绘机床电气设备控制线路的布线图时,应按( )绘制。
单选题
[T]B-A-F-012 4 2 2 按实物测绘电气设备控制线路的接线图时,同一电器的各元件要画在( )处。
单选题
[T]B-A-F-011 4 2 5 GL型电流继电器的反时限部分用作( )保护。
单选题
@[T]B-A-F-011 4 2 5 双金属片热继电器作电动机的保护时适用于( )。
单选题
[T]B-A-F-011 4 2 1 过电流继电器适用于重载、频繁启动的电动机的过载和( )保护。
单选题
[T]B-A-F-011 4 1 4 在电力拖动电路中,除安装接触器外,还必须安装带有过载保护的电源开关。
单选题
@[T]B-A-F-010 4 2 3 正反转控制电路在实际工作中最常用、最可靠的是( )。
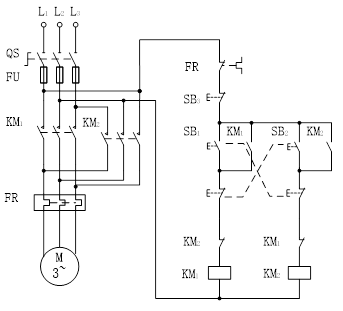
单选题
[T]B-A-F-010 4 2 5 下图中控制原理图的作用及具有的保护是( )。
