相关题目
1000KVA阻抗标么值Z1*=( )/100Sn= ( ) ÷ ( )=6Ω
13.现有一台SCB-1000KVA/10-0.4/0.23KV变压器,阻抗电压6%与一台SCB-2000KVA/10-0.4/0.23KV变压器阻抗电压8%并列运行,两台均为Dyn11联结组别。当负荷达到2850KVA时,列式计算各台变压器分担的负荷为多少?(15分)
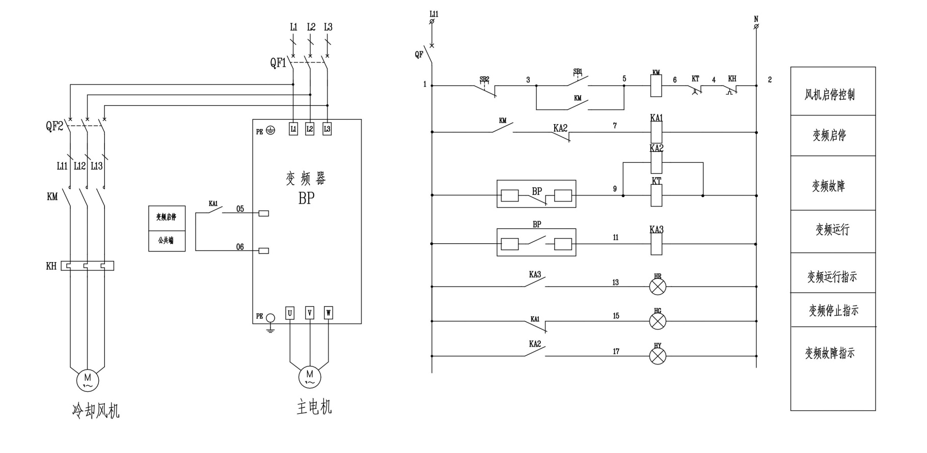
12、今一用户需一台220KW变频器控制柜,主电机为变频电机,配有一台0.75KW冷却风机,控制要求如下:( )本柜控制、显示,(2)冷却风机运行,主电机运行,(3)冷却风机故障,主电机停机,(4)主电机故障,冷却风机运行10分钟后停机。设计一次、二次原理图。(15分)
11.10KV高压开关柜内主母排选用铜母线,要求承受40KA/4S的额定短时耐受电流,计算选用母排的最小截面积,标注母排规格型号。
一台315KW/380V异步电动机,用户要求采用变频控制转工频控制运行方式。请简述如何设计一次系统图以满足上述需求。
变频器在什么情况下加进线电抗器和输出电抗器?它们的作用分别是什么?
一台三相异步电动机,其铭牌上标明额定电压为220/380V,其接法应是 。
发变组保护出口中间继电器为什么要并联电阻?
5.有一台三相交流异步电动机,每相的等效电阻R=29Ω,等效电抗位X=31.8Ω。电动机绕组为三角型联结,电源电压U=380V。试求电动机的线电流和相电流。
4.低压柜(箱)多回路时一次引线的要求是什么?
