相关题目
单选题
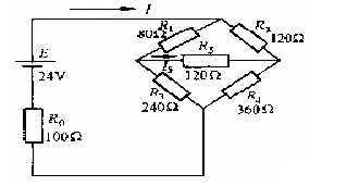
已知条件如图所示,求R5上的电流I5和总电流I分别是多少?
单选题
讲解母联充电保护框图母联充电保护动作条件,运行中漏退充电保护压板时,当母联电流达到定值时,充电保护是否动作?
单选题
下图为蓄电池充电曲线图,电池容量为300Ah,浮充电压为234V,均充电压为244V,请回答以下问题:(1)蓄电池在什么情况下需要进行均充。(2)结合下述曲线图简述蓄电池充电各阶段的电流、电压变化过程,并说明数值变化情况。
单选题
画出Y0/Δ-11接线的变压器三相完全差动保护原理接线图。
单选题
某500kV变电站在安装主变(自耦)35kV套管引线接入35kV母线施工中安装人员将主变接成Y0/Δ-1,请在图上将a x b y c z联在35kV低压母线上并画出向量图。
单选题
智能变电站网络交换机基本性能要求传输各种帧长数据时交换机固有时延应小于7μ()。
单选题
网络报文记录分析系统应能对GOOSE报文、SV报文进行在线实时分析,并实时告警,能查询历史报告,并与离线分析关联进行报文详细分析()。
单选题
智能变电站网络设备包括站控层和间隔层网络的通信介质、通信接口、网络交换机、网络通信记录分析系统等,双重化布置的网络应采用两个不同回路的直流电源供电()
单选题
主变压器本体保护不启动失灵保护,因为这些动作触点为机械触点,不能自动返回()。
单选题
智能变电站中的各类智能终端设备,原则上常规维护周期三个月一次,专业维护周期一年一次或按照厂家规定的维护周期执行()。
