相关题目
单选题
2.5.86. 根据《电网工程建设预算编制与计算标准》的规定,建筑安装工程费中属于强制性费用的项目是()。
单选题
2.5.85. 230MHz无线专网的主要性能参数为()。
单选题
2.5.84. 电能量采集系统采集的主要数据类型有()等。
单选题
2.5.83. 电能量采集系统具有运行状况管理功能,功能包括()等。
单选题
2.5.82. 我国对电能表的输出脉冲有()规定。
单选题
2.5.81. 下列对负荷管理终端的计量、保护双回路负荷监测防窃电原理及优点论述中正确的是()。
单选题
2.5.80. 下图中哪些电路没有电台的发信机电路()
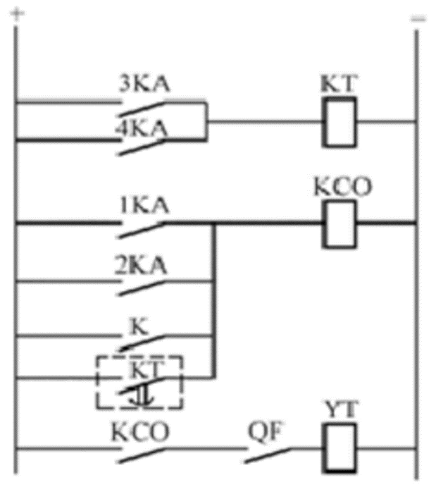
单选题
2.5.79. 对于如图所示的电路,说法正确的是()。
单选题
2.5.78. 怎样分析所有的终端,查看是否有某种异常?()
单选题
2.5.77. 在电阻、电感、电容的串联电路中,出现电路端电压和总电流同相位的现象,叫串联谐振。串联谐振的特点有()。
