相关题目
单选题
410.若将半波可控整流电路中的晶闸管反接,则该电路将( )。
单选题
409.KP10-20表示普通反向阻断型晶闸管的正反向重复峰值电压是( )。
单选题
408.在MOS门电路中,欲使PMOS管导通可靠,栅极所加电压应( )开启电压(Um<0)。
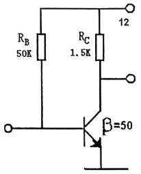
单选题
407.如图所示电路中,三极管工作状态是( )。
单选题
406.直流发电机-直流电动机自动调速系统在额定转速基速以下调速时,调节直流发电机励磁电路电阻的实质是( )。
单选题
405.直接耦合放大电路产生零点飘移的主要原因是:( )变化。
单选题
404.Z37摇臂钻床的摇臂升、降开始前,一定先使( )松开。
单选题
403.交磁扩大机的电差接法与磁差接法相比,电差接法在节省控制绕组,减少电能损耗上较( )。
单选题
402.转速负反馈调速系统中,给定电压和反馈电压是( )。
单选题
401.并励直流电动机限制启动电流的方法有()种。
