相关题目
单选题
440.为了提高中、小型电力变压器铁心的导磁性能,减少铁损耗,其铁心多采用( )制成。
单选题
439.检修后的电气设备,其绝缘电阻要合格,再经( )检测合格后方能满足电路的要求。
单选题
438.千斤顶是一种手动的小型起重和顶压工具,常用的有( )种。
单选题
437.普通晶闸管由中间P层引出的电极是( )。
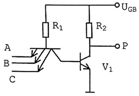
单选题
436.如图所示电路中V1为多发射极三极管,该电路的输入输出的逻辑关系是( )。
单选题
435.在脉冲电路中,应选择( )的三极管。
单选题
434.一个硅二极管反向击穿电压为150伏,则其最高反向电压为( )。
单选题
433.差动放大电路的作用是( )信号。
单选题
432.阻容耦合多级放大电路的输入电阻等于( )。
单选题
431.他励直流电动机改变旋转方向常采用( )来完成。
