相关题目
单选题
324.点火线圈的电路如下图所示,图中Rs的作用是()
单选题
323.电磁感应式电子点火系统电路如下图所示,产生高压电的时机在()时。
单选题
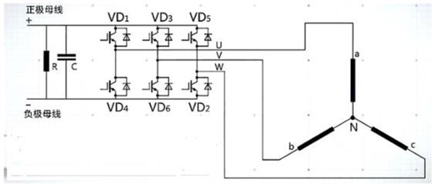
322.驱动电机制动能量回收电路如下图所示,当处于能量回收状态以下说法正确的是()
单选题
321.在下面描述点火电路中使用的开关磁阻电机不正确的是()
单选题
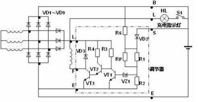
320.在发电机的控制电路中(如下图所示),图中充电指示灯HL的亮灭由()控制。
单选题
319.在星形连接发电机绕组(如下图所示)其中性点的电压为UN,其为绕组电压U的()对此中性点加装二极管后,其输出功率可增加10%~15%。
单选题
318.起动控制电路如下图所示,其中图中的30号和50号导线分别接起动机的()和()
端子。
单选题
317.汽车刹车灯电路和小灯(尾灯、示宽灯)电路如下图所示,控制该两灯的开关()位
置。
单选题
316.汽车起动机的工作如下图所示,当接通起动开关后图中的吸拉线圈和保持线圈同时通电,产生磁吸力使活动铁芯向左移动,带动主开关接触盘使起动机的主电路导通,起动机工作。主电路导通后()线圈被短路停止工作,()线圈继续通电工作。
单选题
315.动力电池组工作电路如下图所示,其中动力电池组工作时以下三个继电器,()先闭
合工作。
