相关题目
单选题
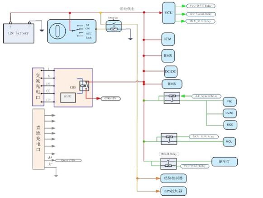
335.电动汽车车载充电机与其他控制器连接电路如下图所示,下面描述车载充电机说法错误的是()。
单选题
334.新能源电动汽车电路如下图所示,其中由点火开关ON档通过ON档继电器供电的部件有()
单选题
333.雾灯电路如下图所示,根据电路图判断前雾灯和后雾灯之间的关系,以下说法哪一个是错误的()
单选题
332.前雾灯工作电路如下图所示,如果要打开前雾灯需要先开()开关,使()继电器工作。
单选题
331.讨论后尾灯中制动灯和尾灯两灯哪一个工作时发光强度大,以下说法正确的是()
单选题
330.人体站在地面或其他接地体上,人体的某部位触及一相带电体所引起的触电,称为()。
单选题
329.在汽车前照灯中一半采用双丝灯泡,远光灯灯丝设置在凹面镜的()位置才能使灯光光束照射距离更远。
单选题
328.汽车转向灯电路如下图所示,转向灯的闪烁频率取决于()元件。
单选题
327.在汽车前照灯中,下列描述不属于防眩目措施的是()
单选题
326.在如下图的双缸同时点火电路中,若第一缸处于压缩行程上止点产生电火花,则第四缸应处于()行程上止点。
