相关题目
单选题
345.人体有两处同时接触带电的任何两相电源时的触电,称为()。
单选题
344.汽车起动机的工作如下图所示,当起动成功后断开起动开关时,主开关接触盘未断开时图中的吸拉线圈和保持线圈处于()状态。
单选题
343.某品牌纯电动汽车高压控制盒内部控制电路如图所示,车辆快充结束时,()控制高
压系统下电。
单选题
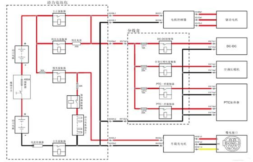
342.下图为某品牌纯电动汽车整车高压连接线图,当车辆充电时闭合的接触器有()。
单选题
341.下图为某品牌纯电动汽车动力电池管理系统( )内部原路图,此时BMS正处于为负载上电的预充电阶段,当V2>V3,预充继电器()。
单选题
340.维修师傅在对某品牌纯电动汽车进行故障检测时,诊断仪显示无法与电机控制器取得
联系,电机控制器的外部控制电路如图所示,试分析以下选项中不会造成该故障现象的是()。
单选题
339.某品牌纯电动汽车加速踏板位置传感器的控制电路和输出特性如图所示,以下选项中据图所作的分析,错误的是()。
单选题
338.新能源电动汽车DC/DC变换器工作电路如下图所示,DC/DC变换器输出的工作电压
是()
单选题
337.在快充系统电路如下图所示,连接好充电枪若要实现快速充电,图中K1/K2需要闭合()次。
单选题
336.连接好充电枪在车载充电机工作电路如下图所示,图中检测点1检测到()信号电压,充电桩K1/K2开关闭合使车载充电机工作。
