多选题
串励式直流电动机的电源为()。
A
只能是直流
B
可以是直流
C
可以是交流
D
只能是交流
答案解析
正确答案:BC
解析:
串励式直流电动机的电源为()。 A. 只能是直流 B. 可以是直流 C. 可以是交流 D. 只能是交流 答案:BC
解析:串励式直流电动机的电源可以是直流电或交流电。选项 B 表示可以是直流,这是因为串励式直流电动机需要直流电源来提供励磁电流。选项 C 表示可以是交流,这是因为交流电可以通过整流装置转换为直流电供给串励式直流电动机。选项 A 和选项 D 分别表示只能是直流和只能是交流,这两个选项都是不准确的,因为串励式直流电动机的电源可以是直流或交流。因此,选项 BC 是正确的。
相关题目
单选题
35.在单相半波可控整流电路中,α越大,输出Ud( )。
单选题
34.( )的工频电流通过人体时,人体尚可摆脱,称为摆脱电流。
单选题
33.测量额定电压500V以上的直流电动机的绝缘电阻时,应使用( )绝缘电阻表。
单选题
32.导通后二极管两端电压变化很小,锗管约为( )。
单选题
31.三极管放大区的工作条件()。
单选题
30.()是交流接触器发热的主要部件。
单选题
29.交流接触器线圈起动功率和吸持功率()。
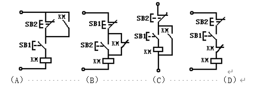
单选题
28.图示控制电路中,正常操作后会出现短路现象的是图()。
单选题
27.步进电动机角位移量或直线位移量与()成正比。
单选题
26.如果单相电动机只有一个单相绕组,没有其他绕组和元件,那么它产生的脉动磁场将使
电动机()。
