相关题目
单选题
9、电力系统的负荷是指在各种用电设备中消耗的有功功率。()
单选题
8、由R=U/I,可知R与U成正比,与I成反比。()
单选题
7、一段电路的电压Uab=-10V,该电压实际上是a点电位高于b点电位。()
单选题
6、电动势的实际方向规定为从正极指向负极。()
单选题
5、根据欧姆定律可得:导体的电阻与通过它的电流成反比。()
单选题
4、电流的方向与电子流的方向相同。()
单选题
3、习惯上规定正电荷运动的方向为电流的正方向。()
单选题
2、电位高低的含义,是指该点对参考点间的电位大小。()
单选题
1、纯电阻单相正弦交流电路中的电压与电流的瞬时值遵循欧姆定律。()
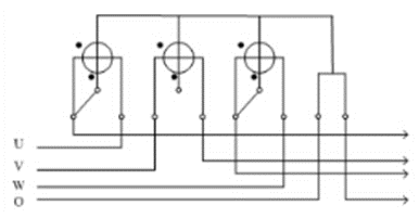
单选题
878、指出下图中所示三相电能表测量接线有何异常()。
