相关题目
单选题
1.1.76.第76题:站用变通电检查时,要求电压表、电流表、电能表及功率表指示应正确,其中交流电源相间电压值应不超过()V、不低于380V,三相不平衡值应小于10V。
单选题
1.1.75.第75题:交流特高压输电线路中,输电能力与分裂导线关系为,随着子导线数增加,传输自然功率()。
单选题
1.1.74.第74题:220千伏变电站的全站电量不平衡率一般要求不超过()。
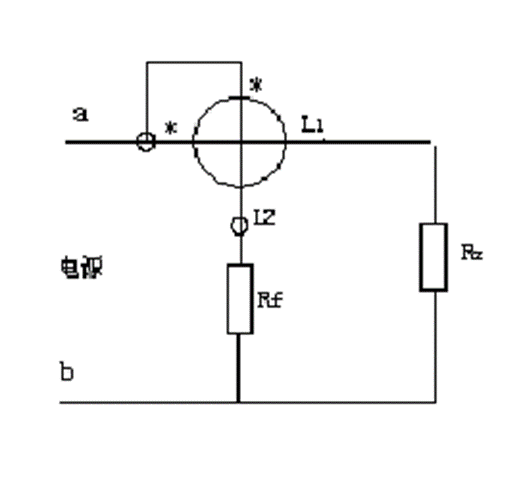
单选题
1.1.73.第73题:图是用于测量三相四线制电路的()的接线
单选题
1.1.72.第72题:用功率表测量单相交流电电功率正确的接线电路图是
单选题
1.1.71.第71题:用单相电能表测量三相三线制电路中三相有功电能正确的电路图是
单选题
1.1.70.第70题:用于计算电费的电能表应配置电流互感器的准确等级为()。
单选题
1.1.69.第69题:计量电能表要求采用()级的电流互感器。
单选题
1.1.68.第68题:图是用于测量()的接线
单选题
1.1.67.第67题:防小动物挡板应编号,标志清楚,外观完好、无破损,防鼠板高度不低于()cm。
