相关题目
单选题
1.1.82.第82题:安装了泄漏电流监测装置的避雷器,在投入运行时,应记录(),作为原始数据记录。
单选题
1.1.81.第81题:()时,严禁巡视人员接近避雷器。
单选题
1.1.80.第80题:()电压等级避雷器应安装泄漏电流监测装置。
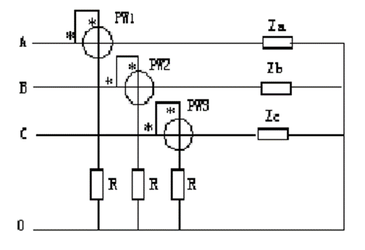
单选题
1.1.79.第79题:带电运行时图所示表计下列说法错误的是()
单选题
1.1.78.第78题:避雷器全面巡视在例行巡视的基础上增加以下项目()。
单选题
1.1.77.第77题:图所示表计下列说法正确的是()
单选题
1.1.76.第76题:站用变通电检查时,要求电压表、电流表、电能表及功率表指示应正确,其中交流电源相间电压值应不超过()V、不低于380V,三相不平衡值应小于10V。
单选题
1.1.75.第75题:交流特高压输电线路中,输电能力与分裂导线关系为,随着子导线数增加,传输自然功率()。
单选题
1.1.74.第74题:220千伏变电站的全站电量不平衡率一般要求不超过()。
单选题
1.1.73.第73题:图是用于测量三相四线制电路的()的接线
