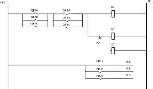
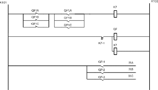
相关题目
单选题
2.1.20.第20题:以下关于万用表使用方法叙述中正确的是()
单选题
2.1.19.第19题:以下变电站内设备维护周期正确的是:()
单选题
2.1.18.第18题:工程投运前1周,运维班应将()等信息按照要求录入PMS系统。
单选题
2.1.17.第17题:母线热点温度为()℃时,应紧急申请停运。
单选题
2.1.16.第16题:智能控制柜应具备温度湿度调节功能,柜内最低温度应保持在()以上,柜内最高温度不超过柜外环境最高温度或()(当柜外环境最高温度超过50℃时)。
单选题
2.1.15.第15题:变压器出现假油位可能是由以下原因引起的()。
单选题
2.1.14.第14题:当室内开关SF6气体压力降低时进入室内检查应注意哪些事项()。
单选题
2.1.13.第13题:SF6气体压力降低的处理原则,以下正确的是()。
单选题
2.1.12.第12题:耦合电容器正常巡视应注意()。
单选题
2.1.11.第11题:下列属于避雷器严重缺陷的有()。




