相关题目
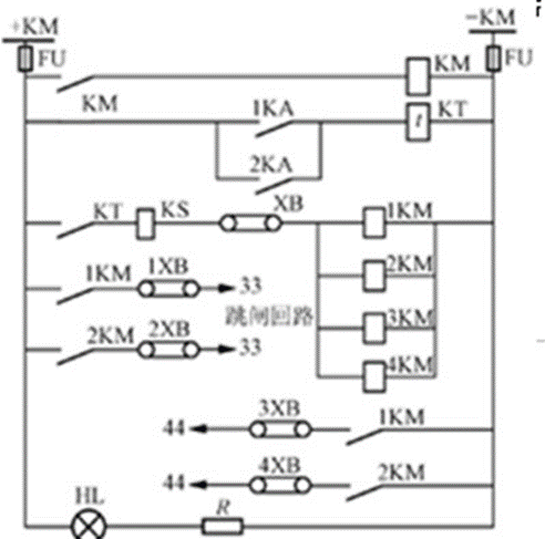
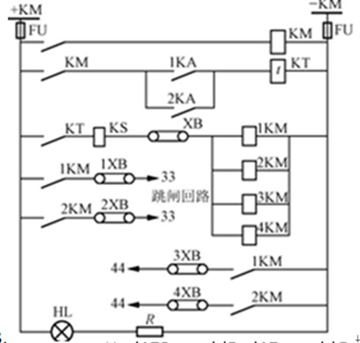
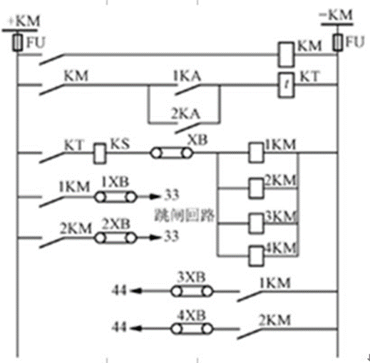
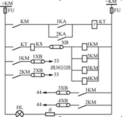
1.2.194.第194题:“11保护”二次三相失压时,下列说法正确的是()。
1.2.193.第193题:智能变电站继电保护装置停用状态是指装置直流电源退出,保护功能软压板退出,装置SV软压板(),装
置GOOSE接收(失灵开入等)及发送(保护出口等)软压板()。
1.2.192.第192题:智能变电站保护装置投“()”时,不应断开保护装置及相应合并单元、智能终端、交换机等设备的直流电源
1.2.191.第191题:智能变电站保护装置GOOSE软压板包括GOOSE()软压板和GOOSE()软压板;SV软压板为交流采样接收软压板;保护功能软压板包括保护功能投退、定值区切换、远方投退等。
1.2.190.第190题:智能变电站GOOSE接收软压板:负责控制接收来自其他智能装置的GOOSE信号,同时监视GOOSE链路的状态。退出时,本装置对其他装置发送来的相应GOOSE信号不作逻辑处理。该类压板应根据()指令的保护状态要求进行投退。
1.2.189.第189题:智能变电站一次设备运行状态或热备用状态,相关电压、电流回路或合并单元检修前,相关保护装置应处于信号状态;保护装置检修工作开展前,应将该保护装置改接信号,且与之相关的运行中保护装置的GOOSE接收软压板(失灵启动压板等)();
1.2.188.第188题:开关具备本体三相不一致保护功能和三相不一致保护装置的,()
1.2.187.第187题:变压器差动保护投入前要()测相量、差电压。
1.2.186.第186题:变压器差动保护的不平衡电流是怎样产生的()。
1.2.185.第185题:智能变电站继电保护装置跳闸状态是指装置直流电源投入,保护功能软压板投入,装置SV软压板(),装置GOOSE接收(失灵开入等)及发送(保护出口等)软压板(),检修硬压板退出。




