相关题目
单选题
1.4.10.第10题:基建工程验收可研初设审查中,应对主变压器的容量、台数、卷数、()、调压方式(有载或无励磁、调压范围、分接头)及阻抗等参数进行审查。
单选题
1.4.9.第9题:《国家电网公司变电验收管理规定(试行)》中试运行期间(),由运维单位、参建单位对设备进行巡视、检查、监测和记录。
单选题
1.4.8.第8题:()是指按照设备订货合同、对在制造厂内安装好的设备进行验收。
单选题
1.4.7.第7题:()对竣工(预)验收意见提出的缺陷组织整改,由工程设计、施工、监理单位具体落实。
单选题
1.4.6.第6题:()单位(部门)对竣工(预)验收意见提出的缺陷组织整改,由工程设计、施工、监理单位具体落实。
单选题
1.4.5.第5题:变压器按中性点绝缘水平分类时,中性点绝缘水平与端部绝缘水平相同叫()。
单选题
1.4.4.第4题:变压器安装升高座时,放气塞应在升高座()。
单选题
1.4.3.第3题:大中型变压器的调压分接开关装置装在变压器的()侧。
单选题
1.4.2.第2题:充气运输的变压器运到现场后,必须密切监视气体压力,压力过低时(低于0.01MPa)要补干燥气体,现场放置时间超过()的变压器应注油保存,并装上储油柜和胶囊,严防进水受潮。
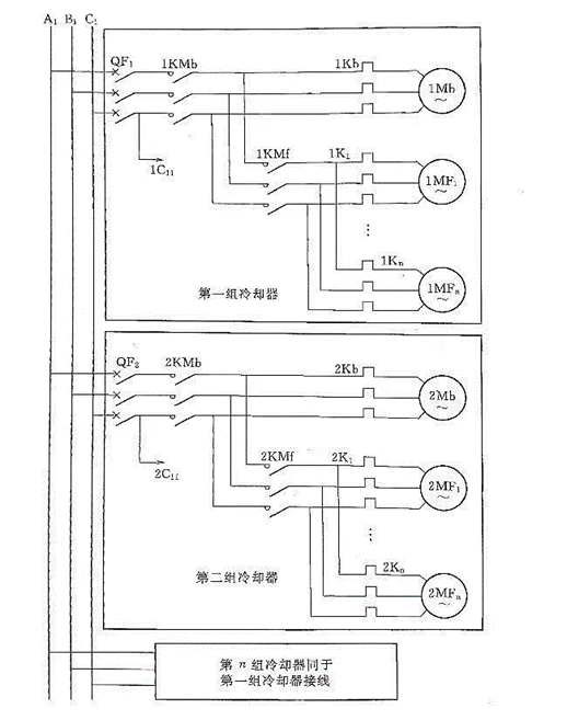
单选题
1.4.1.第1题:关于图中220kV三相变压器风冷主回路(交流回路)的描述,以下错误的是()?
