相关题目
单选题
1.4.216.第216题:当测控装置逻辑发生故障需要解锁时,应解除()
单选题
1.4.215.第215题:当测控装置故障需要解锁时,应解除()
单选题
1.4.214.第214题:操作中发生疑问时,应立即停止操作并向()报告,并禁止单人滞留在操作现场。弄清问题后,待发令人再行许可后方可继续进行操作。不准擅自更改操作票,不准随意解除闭锁装置进行操作。
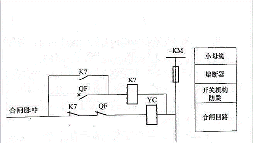
单选题
1.4.213.第213题:关于下图闸刀控制回路图中,以下选项错误的是()?
单选题
1.4.212.第212题:关于所示断路器控制回路原理图,以下叙述错误的是()?
单选题
1.4.211.第211题:关于所示断路器控制回路断线信号图,以下选项错误的是()?
单选题
1.4.210.第210题:关于图中开关本体防跳回路的描述,以下错误的是()?
单选题
1.4.209.第209题:关于图中断路器三相不一致回路的描述,以下错误的是()?
单选题
1.4.208.第208题:关于图中断路器防跳继电器回路的描述,以下错误的是()?
单选题
1.4.207.第207题:关于图中220kV开关A相跳闸回路的说明,以下错误的是()?
