相关题目
1.4.220.第220题:变电站应装设火灾自动报警装置,()接入变电站综合自动化系统,并传输到远端平台。
1.4.219.第219题:防误装置万能解锁钥匙使用时必须经()、变电站专责工程师或所长批准,并做好记录。
1.4.218.第218题:防误装置及电气设备出现异常要求解锁操作,应由防误装置专业人员核实防误装置确已故障并出具解锁意见
,经()到现场核实无误并签字后,由变电站运维人员报告当值调控人员,方可解锁操作。
1.4.217.第217题:当间隔内电气闭锁回路故障时,可将间隔内电气闭锁解锁断路器切至()位置后进行现场操作,此时不得再随意解除对应的I/O测控闭锁。
1.4.216.第216题:当测控装置逻辑发生故障需要解锁时,应解除()
1.4.215.第215题:当测控装置故障需要解锁时,应解除()
1.4.214.第214题:操作中发生疑问时,应立即停止操作并向()报告,并禁止单人滞留在操作现场。弄清问题后,待发令人再行许可后方可继续进行操作。不准擅自更改操作票,不准随意解除闭锁装置进行操作。
1.4.213.第213题:关于下图闸刀控制回路图中,以下选项错误的是()?
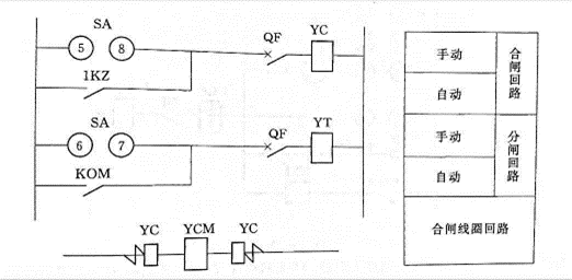
1.4.212.第212题:关于所示断路器控制回路原理图,以下叙述错误的是()?
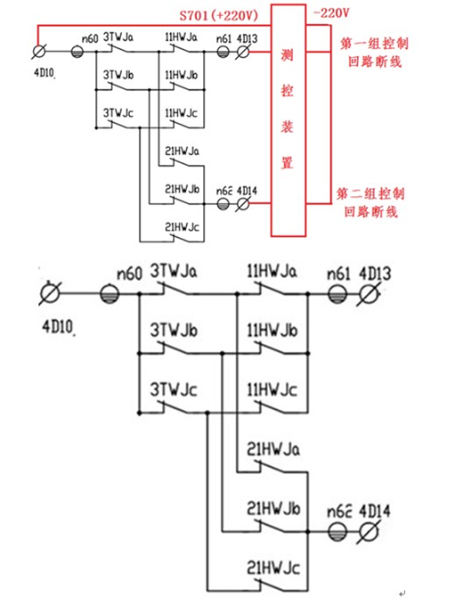
1.4.211.第211题:关于所示断路器控制回路断线信号图,以下选项错误的是()?
