相关题目
单选题
1.5.23.第23题:母线电流差动保护采用电压闭锁元件主要是为了防止()。
单选题
1.5.22.第22题:母线保护用的电流互感器,一般要求在最不利的区外故障条件下,误差电流不超过最大故障电流的()。
单选题
1.5.21.第21题:防止因电压互感器的熔丝熔断造成自投装置误动的措施有()。
单选题
1.5.20.第20题:方向闭锁高频保护发迅机起动后当判断为外部故障时,()。
单选题
1.5.19.第19题:对于距离保护振荡闭锁回路()
单选题
1.5.18.第18题:电压互感器故障对保护及自动装置有无影响?()
单选题
1.5.17.第17题:采用单相重合闸的线路断路器,不宜投外加的非全相运行保护(或称三相不一致保护);若投,则其动作时间应大于单相重合闸时间加()。
单选题
1.5.16.第16题:BP-2B母差保护死区故障逻辑图如下图所示,正确的图是()。
单选题
1.5.15.第15题:下图是BP-2B母差保护失灵出口回路图,图中虚框含义正确的是()
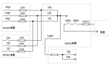
单选题
1.5.14.第14题:220kV线路开关失灵保护回路如图,TJQ/TJR是通过()
