相关题目
单选题
如图所示,镗孔A时中心高设计尺寸为H1,若加工中为方便定位庄装夹,以C面为定位基准镗孔,这时孔的高度尺寸为H,则图中H1、H2、H形成的尺寸链中,()。
单选题
图中表示滚珠轴承的是()。
单选题
图中表示滚子轴承的是()。
单选题
如图所示的台阶轴,其中阴影部分是工件端面加工时需去除的材料的部分,则各工序余量分别是()。
单选题
附图中封闭环LO的下偏差和最小极限尺寸是()。
单选题
图中()不能通过G功能中的精确定位指令解决。
1、2、3均为加工整圆或过象限的圆弧出现的状况;8是加工外轮廓,在拐角处出现超程现象;10是加工内轮廓,在拐角处出现过切现象
单选题
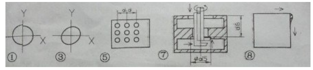
图中()与机床丝杆的螺距误差有关。
1、3均为加工整圆或过象限的圆弧出现的状况;5是孔距超差;7是反镗孔,按刀具下降-平移-旋转-上升的过程加工直径d5深d6,结果d6超差
单选题
图中()与系统的增益参数无关。
1、3均为加工整圆或过象限的圆弧出现的状况;5是孔距超差;7是反镗孔,按刀具下降-平移-旋转-上升的过程加工直径d5深d6,结果d6超差;8是加工外轮廓,在拐角处出现超程现象
单选题
图中()为减环。
单选题
图中()与机床的反向间隙无关。
1、2、3均为加工整圆或过象限的圆弧出现的状况;5是孔距超差;7是反镗孔,按刀具下降-平移-旋转-上升的过程加工直径d5深d6,结果d6超差
