相关题目
单选题
可编程序控制器控制交通灯时,将相对方向的同色灯并联起来,是为了( )。
单选题
PLC程序可以实现( )功能。
单选题
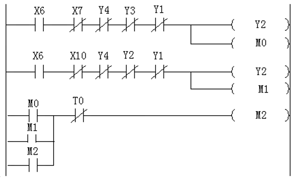
可编程序控制器控制磨床运行时,Y2和M0是( )。
单选题
可编程序控制器程序,0步和2步实现的启动功能是( )。
单选题
在以下PLC梯形图程序中,0步和3步实现的功能( )。
单选题
以下PLC梯形图实现的功能是( )。
单选题
PLC程序中,Y1得电,是因为( )先闭合。
单选题
可编程序控制器控制电动机星三角启动时,至少需要使用( )个交流接触器。
单选题
PLC控制系统的主要设计内容不包括( )。
单选题
可编程序控制器程序中,第一行和第二行程序功能相比( )。
