相关题目
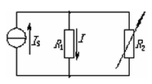
单选题
在如图所示的电路中,当电阻R2增加时,电流I将( )
单选题
通常电工术语”负荷大小”是指( )的大小。
单选题
某导体两端电压为100V,通过的电流为2A;当两端电压降为50V时,导体的电阻应为( )。
单选题
相同材料制成的两个均匀导体,长度之比为3:5,横截面积之比为4:1,则其电阻之比为( )。
单选题
一般金属导体具有正温度系数,当环境温度升高时,电阻值将( )。
单选题
通过一个电阻的电流是5A,经过4min,通过该电阻的一个截面的电荷量是( )。
单选题
下列设备中,一定是电源的为( )。
单选题
平行板电容器两极板与静电计金属球和外壳分别连接,对电容器充电,使静电计指针张开某一角度,撤去电源后以下说法正确的是( )
单选题
将可变电容器动片旋出一些( )
单选题
对于一个电容器,下列说法正确的是( )
