相关题目
单选题
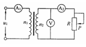
如图所示,理想变压器原、副线圈的匝数比为10:1,电压表和电流表均为理想交流电表,从某时刻开始在原线圈两端加上交变电压,其瞬时值表达式为,则( )
单选题
测量电阻的仪表有( )。
单选题
PLC通过( )寄存器保持数据。
单选题
以下属于PLC与计算机连接方式的是( )。
单选题
以下属于PLC外围输入故障的是( )。
单选题
PLC输入模块本身的故障描述正确的是( )。
单选题
在下图中,当S闭合并稳定后,①最亮的是( )②最不亮的是( )。
单选题
有两个电容器,C1为300V、60μF,C2为200V、30μF,①将两个电容器并联后其总的耐压为( );②串联后其总的耐压为( )。
单选题
两个灯泡,H1为220V、110W,H2为110V、100W。[1]若将它们并联后接入110V电路中,则( )[2]若将它们串联后接入220V电路中,则( )
单选题
在下面几种电路中,不能实现有源逆变的电路有哪几种( )。
