相关题目
单选题
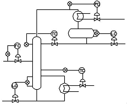
204.如图所示,是一个精馏塔的自控流程,从图中可以判断出此塔压力控制方案是()。
单选题
203.工艺管道图中表示法兰连接的正确的是()。
单选题
202.管段图中必须标明方向,下列标注正确的是()。
单选题
201.如图所示,工艺管道图中管道交叉说法正确的是()。
单选题
200.如图所示,一个精馏塔的工艺流程简图,回流罐位号是()。
单选题
199.对应下列主、俯视图,正确的局部视图应为()。
单选题
198.在轴的主视图中,通孔处标注了A-A剖面图的剖切符号,下列图中为正确的A-A剖面图的是()。
单选题
197.离心机润滑油温度过高时,下列处理错误的是()。
单选题
196.下列选项中,会导致离心机润滑油温度上升的是()。
单选题
195.下列选项中,会造成重整反应总温降下降的是()。
