相关题目
单选题
207.如图所示,是一个锅炉的自控系统。从图中可以知道这个控制系统属于()控制系统。
单选题
206.如图所示,是一个锅炉的自控系统。从图中可以知道这个控制系统主要是为了控制锅炉的()。
单选题
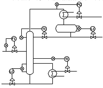
205.如图所示,是一个精馏塔的自控流程,从图中可以判断出此塔底温控制方案是()。
单选题
204.如图所示,是一个精馏塔的自控流程,从图中可以判断出此塔压力控制方案是()。
单选题
203.工艺管道图中表示法兰连接的正确的是()。
单选题
202.管段图中必须标明方向,下列标注正确的是()。
单选题
201.如图所示,工艺管道图中管道交叉说法正确的是()。
单选题
200.如图所示,一个精馏塔的工艺流程简图,回流罐位号是()。
单选题
199.对应下列主、俯视图,正确的局部视图应为()。
单选题
198.在轴的主视图中,通孔处标注了A-A剖面图的剖切符号,下列图中为正确的A-A剖面图的是()。
