相关题目
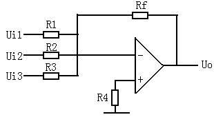
2. 如图4.2所示反相加法运算电路中,把放大器当作理想运算放大器,计算输出电压Uo;输入阻抗Rz;输出阻抗Ro。已知:Ui1=3V, Ui2=1V Ui3=2V R1=20KΩ,R2=10 KΩ R3=20KΩ,R4=4.1KΩ,Rf=20KΩ
解:(1)、Uo=-Rf 
=-20×(
)
=-3V
(2)、RI=R1//R2//R3=5KΩ
(3)、Ro=0
1. 如图4.1所示电路中,已知:I1=25Ma,I3=16Ma, I4=12Ma,(1)、试求I2、I5和电流表读数IG;(2)、确定I2、I5、IG的方向。
解:根据基尔霍夫第一定律,假设I2、I5、IG的方向都是流向D点,则(1)、对于A点:I1-I2-I3=0∴I2=I1-I3=25-16=9mA 方向与假设相同。
对于B点:I3-IG-I4=0∴IG=I3-I4=16-12=4mA 方向与假设相同。
对于D点:I2+IG+I5=0∴I5=-(I2+IG)=-13mA方向与假设相反。
(2)由(1)得,I2、I5、IG的方向如图中所示:
10.将十六进制数16转化为二进制数,应为( )。
9.在CP作用下,根据输入信号的不同具有置0、置1功能的电路称( )。
8.三输入的CMOS或非门,若使用时只用其两输入端,则另一输入端应( )。
7.在下图中,输入电压Ui=0.1V,则输出电压U0=( )。
6.在下图中,由R3、C3构成的级间反馈是( )。
5.下图的逻辑表表达式为( )。
4 .假设在下图中,各电容器的电容、电源的电压和交流电的频率相同。则电流表读数最大的是( B
)。
图a 图b 图c
3. 交流电通过整流电路后,得到的输出电压是( )。
